EasyManua.ls Logo

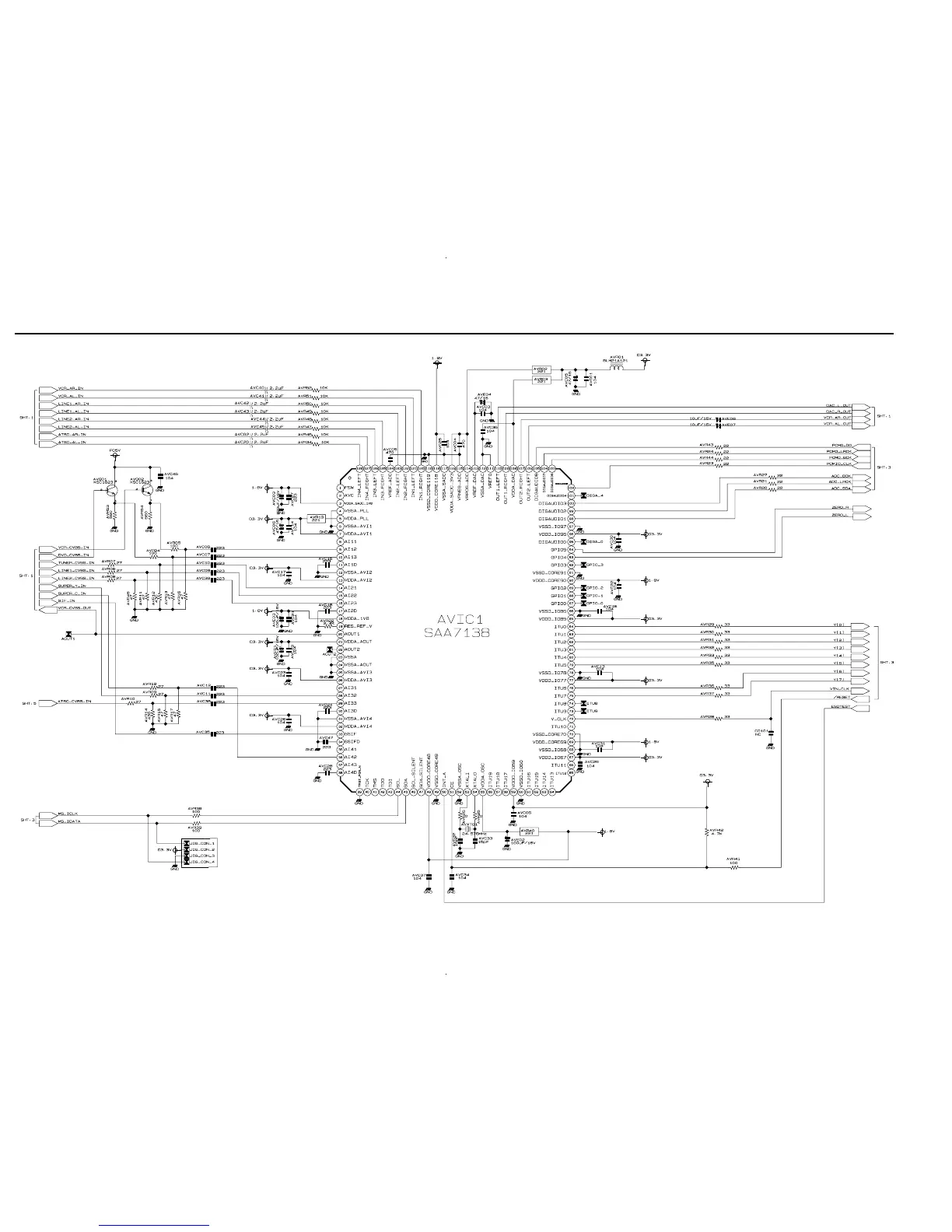
Sony RMT-D240A - 5-7 A;V Decoder (DVD Main PCB)

Sony RMT-D240A
136 pages
Print Icon
To Next Page IconTo Next Page
To Next Page IconTo Next Page
To Previous Page IconTo Previous Page
To Previous Page IconTo Previous Page
Loading...
5-165-15
5-7 A/V Decoder (DVD Main PCB)

Table of Contents

Related product manuals