EasyManua.ls Logo

Sony SA-WMSP75 - Schematic Diagrams

Sony SA-WMSP75
12 pages
Print Icon
To Next Page IconTo Next Page
To Next Page IconTo Next Page
To Previous Page IconTo Previous Page
To Previous Page IconTo Previous Page
Loading...
66
SA-WMSP75/WMSP85
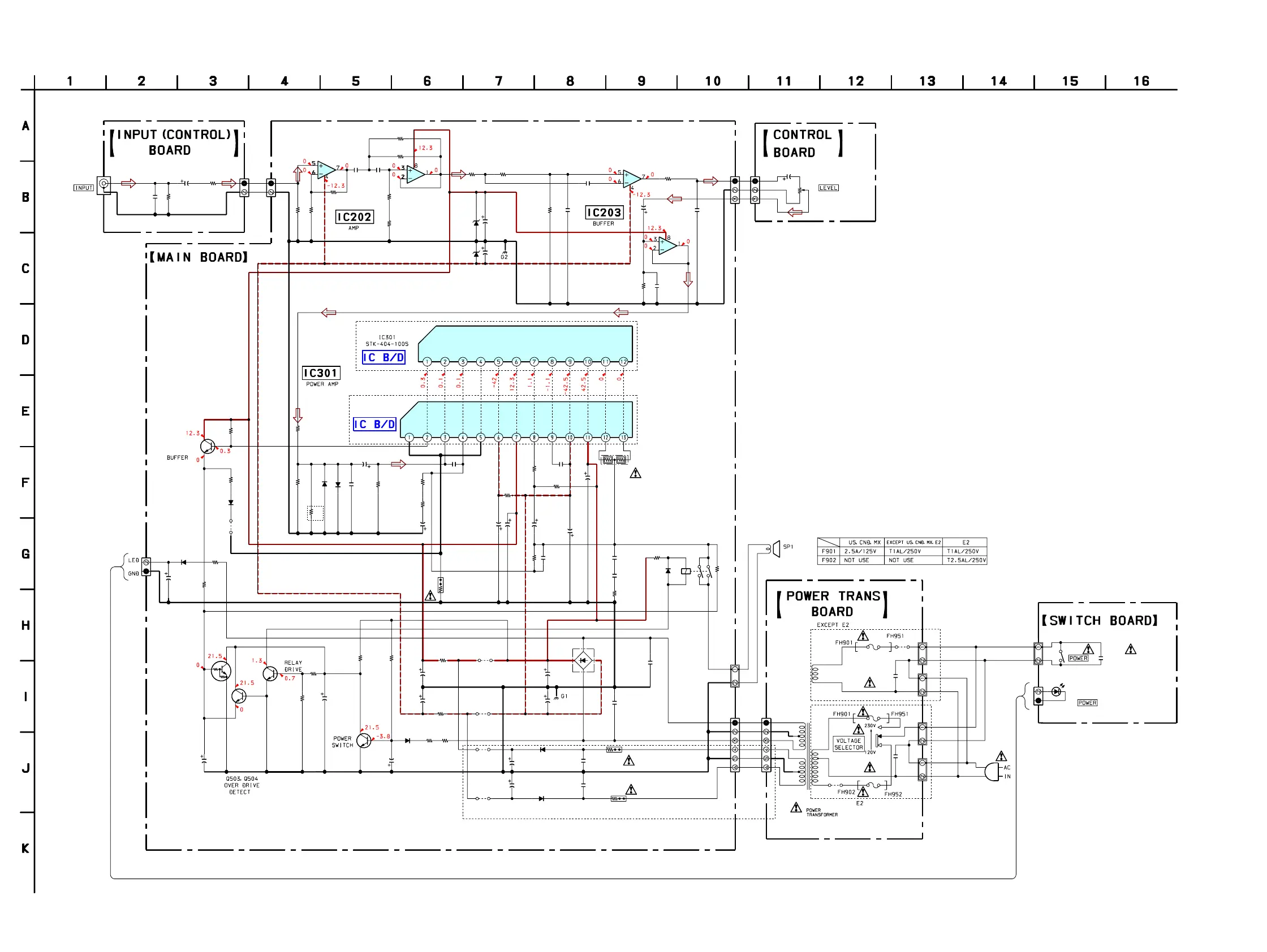
1-5. Schematic Diagrams
• See page 3 for IC Block Diagrams.
C402
C401
C409
C410
RY301
JW402
JW403
JW404
S901
R502R503
R504
R505
R312
C2
R311
R307
R306C312
C313
R305
C311
R302
R314
JW401
R310
R301
R506
R507
R508
C407
C408
JW501
C301
R303
JW2
JW1
R500R501
T1
R403
R404
J101
R110
R202
R206
R208
R209
R210
R211
C101
R212 R213
R214
C210
C211R217
R207
R315
R313
CN901
C801
C209
C201
C203 C204
IC202(2/2)
R205
C205
C206
D205
D206
C208
R216
IC202(1/2)
IC203(1/2)
IC203(2/2)
RV801
CNP801
CNP111
C207
IC301
WMSP75
WMSP75
WMSP85
D301
D302
C303
R309
Q505
C302
D502
D602
D304
C309
C310
C308
CN301
C307
R401
C306
C305
D401
R304
C304
R402
C405
C406
C404
C403
D501
C501
Q501
Q502
C502
C601
C503
D403
Q504
Q503
D402
CN2
CN1
S2
F902
F901
F901
C2
CN3
D901
R308
CN402
CNP401
R601
CN204
C901
CN101
CN202
CN2
CN1
0.1
0.1
0.1
0.1
47k100k
100k
22k
22k
4700p
250V
680 1W
4.7k
4.7k220p
220p
47k
10p
47k
1
1/4W
10
4.7k
22k
4.7k
1k
470
50V
470
50V
220p
50V
470
2.2k10k
10
1/4W
10
1/4W
100k
1k
10k
10k
100k
470k
220k
220p
22k 22k
220k
10 50
220p100k
10k
47k
10
50
220p
10
50V
0.1 0.1
NJM4565DD
100k
10
50V
10
50V
MTZJ-T-72-12B
MTZJ-T-72-12B
0.22
10k
NJM4565DD
NJM4565DD
NJM4565DD
20k
3P
3P
0.01
STK404-130S
1SS133T-72
1SS133T-72
100
10V
120(WMSP85)
220(WMSP75)
2SC2785TP-E
10 50V
1SS133T-72
1SS133T-72
1SS133T-72
0.1
50V
0.1
50V
10
50V
2P
47
50V
1k
10
50V
100
50V
100
2W
100
50V
1k 2W
1SS133T-72
10
50V
2SC2785TP-E
2SC2784-EFP-TP
220
35V
10
50V
220 10V
11ES2-NTA2B
DTC124ESA-TP
2SC2785TP-E
11ES2-NTA2B
2P
2P
4700p
250V
2P
SEL5423E-TP15
2P
4700p
250V
2P
2P
2P
2P
1
1
3
3
5
6
6
6
2
2
4
7
7 R313
WMSP75 : 10k
WMSP85 : 22k
4 R313
WMSP75 : 2.2k/2W
WMSP85 : 3.3k/3W
5 D401
WMSP75 : D3SBA20
WMSP85 : RBV-602-01
2 CN402, CNP401
WMSP75 : 3P
WMSP85 : 6P
1 C405, C406
WMSP75 : 100uF/25V
WMSP85 : 100uF/50V
3 C403, C404
WMSP75 : 3300uF/50V
WMSP85 : 4700uF/63V
WMSP85
6
Ver 1.2 2003.06

Related product manuals