EasyManua.ls Logo

Sony STR-DE245 - Panel Section Diagrams

Sony STR-DE245
32 pages
Print Icon
To Next Page IconTo Next Page
To Next Page IconTo Next Page
To Previous Page IconTo Previous Page
To Previous Page IconTo Previous Page
Loading...
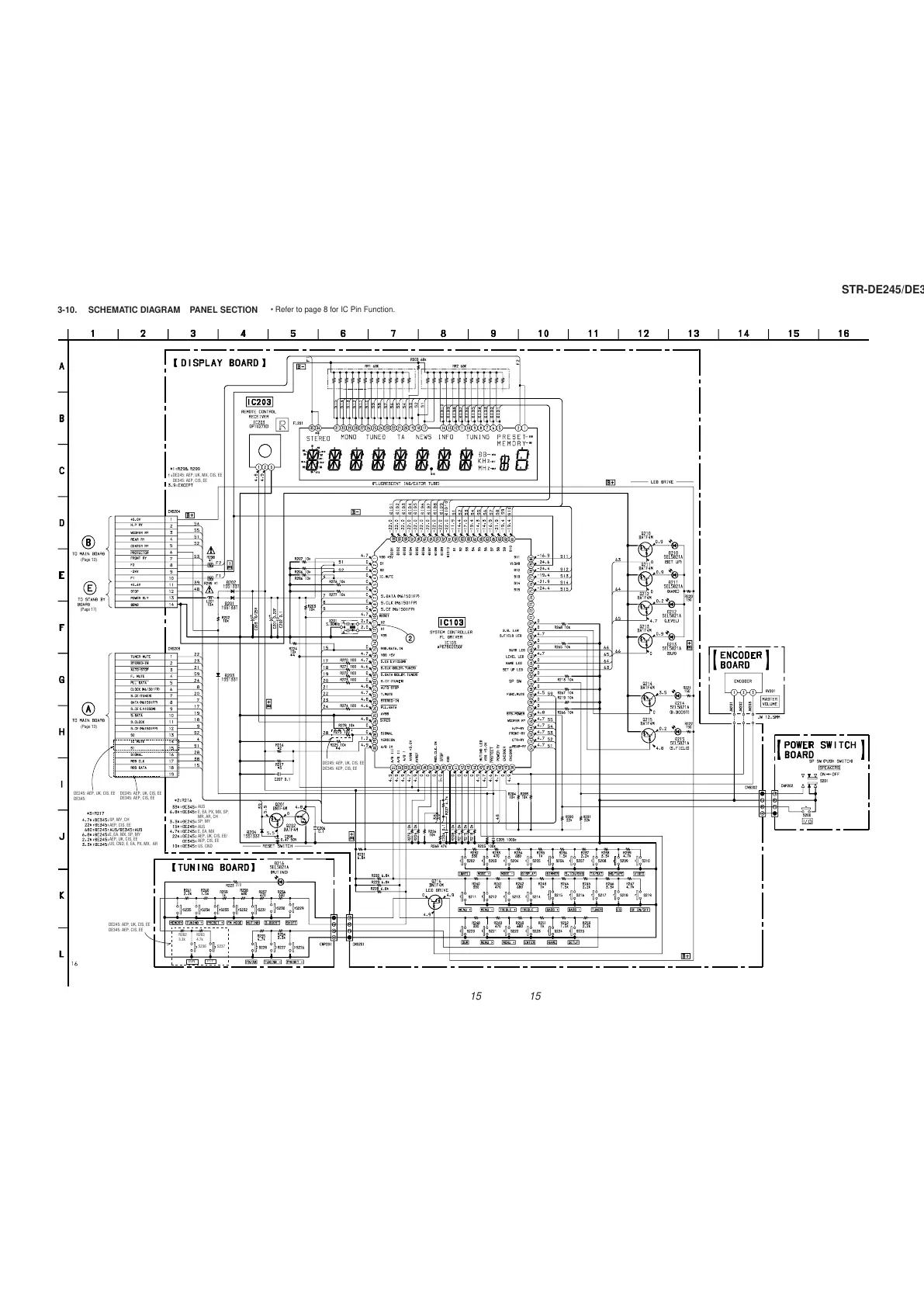
STR-DE245/DE345
1515
3-10. SCHEMATIC DIAGRAM PANEL SECTION
• Refer to page 8 for IC Pin Function.
(Page 13)
(Page 17)
(Page 13)
2
DE245: AEP, UK, CIS, EE
DE345: AEP, CIS, EE
DE245: AEP, UK, CIS, EE
DE345:
DE245: AEP, UK, CIS, EE
DE345: AEP, CIS, EE
SP, MY, CH
AEP, CIS, EE
E, EA, MX, SP, MY
AEP, UK, CIS, EE
US, CND, E, EA, PX, MX, AR
AUS
E, EA, PX, MX, SP,
MR, AR, CH
SP, MY
AUS
E, EA, MX
AEP, UK, CIS, EE/
AEP, CIS, EE
US, CND
270
R262
3.3k
R263
4.7k
S236 S237
EON PTY
DE245: AEP, UK, CIS, EE
DE345: AEP, CIS, EE
DE245: AEP, UK, MX, CIS, EE
DE345: AEP, CIS, EE
All manuals and user guides at all-guides.com

Other manuals for Sony STR-DE245

Related product manuals