EasyManua.ls Logo

Sony STR-DE245 - System Block Diagram; Receiver System Overview

Sony STR-DE245
32 pages
Print Icon
To Next Page IconTo Next Page
To Next Page IconTo Next Page
To Previous Page IconTo Previous Page
To Previous Page IconTo Previous Page
Loading...
77
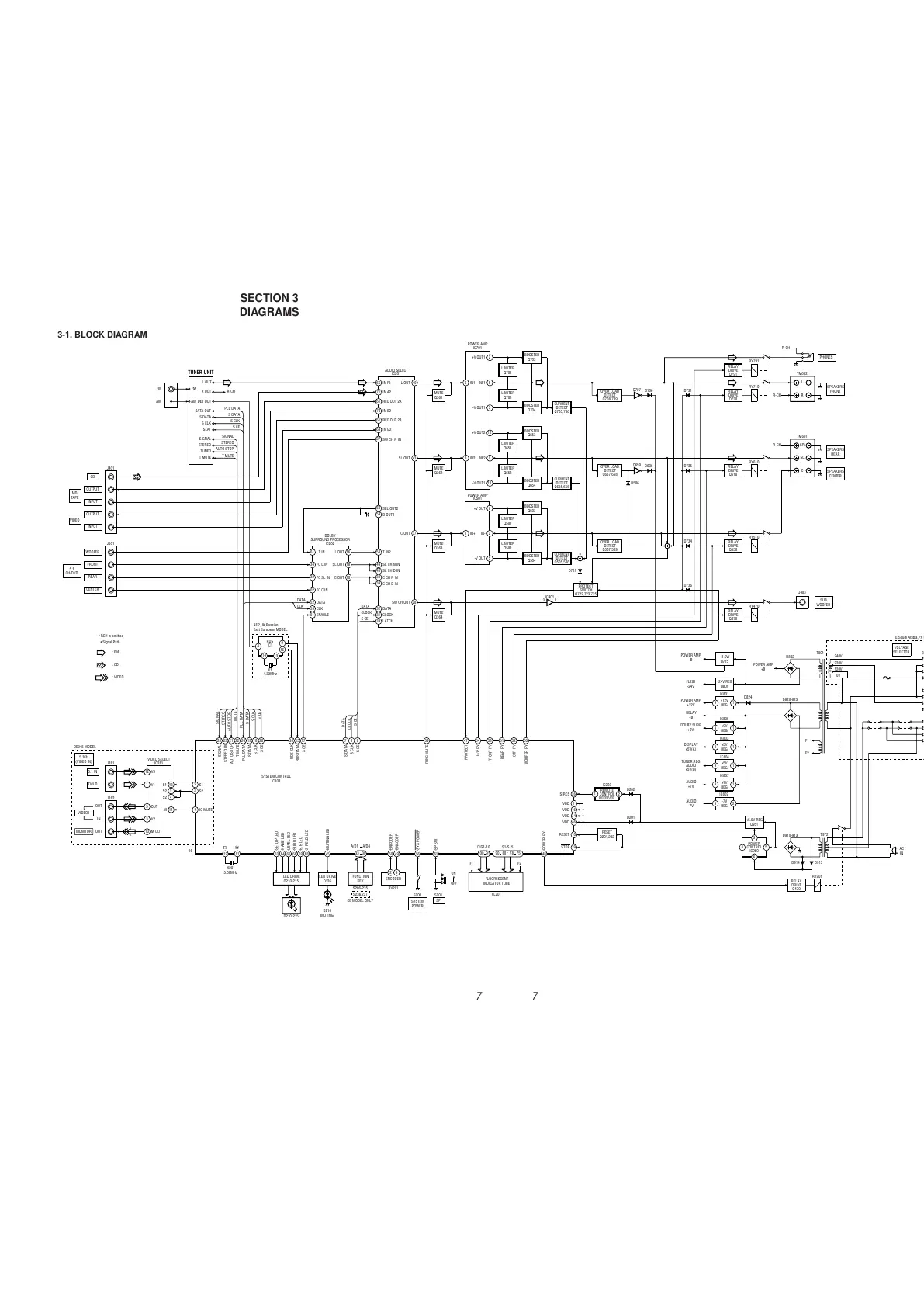
SECTION 3
DIAGRAMS
3-1. BLOCK DIAGRAM
TUNER UNIT
RESET
Q201,202
Q659
: VIDEO
• Signal Path
• RCH is omitted
: FM
: CD
FM
AM
R-CH
S DATA
PLL DATA
S CLK
S CE
SIGNAL
STEREO
AUTO STOP
T MUTE
S DATA
DATA OUT
S CLK
SLAT
SIGNAL
STEREO
TUNED
T MUTE
FM
AM DET OUT
R OUT
L OUT
MD/
TAPE
CD
OUTPUT
INPUT
OUTPUT
INPUT
VIDEO
5.1
CH/DVD
FRONT
REAR
CENTER
WOOFER
J501
J401
LT IN
61
FC L IN
34
FC SL IN
32
FC C IN
62
DATA
52
DOLBY
SURROUND PROCESSOR
IC202
16L OUT
CLK
53
ENABLE
51
2
18SL OUT
10C OUT
DATA
CLK
4
14
16
13
X1
4.33MHz
RDS
IC1
AEP,UK,Russian,
East European MODEL
AUDIO SELECT
IC201
IN F2
66
IN A2
71
REC OUT 2A
61
IN B2
70
IN G2
63
SW CH N IN
27
D OUT2
59
49
L OUT
REC OUT 2B
61
43SL OUT
37
C OUT
28
SW CH OUT
MUTE
Q361
SEL OUT2
60
T IN2
58
SL CH N IN
44
DATA
32
CLOCK
31
LATCH
33
SL CH D IN
45
C CH N IN
38
C CH D IN
39
DATA
CLOCK
S CE
MUTE
Q362
MUTE
Q363
MUTE
Q364
IN1
6
2
+V OUT1
POWER AMP
IC701
5
NF1
LIMITER
Q701
3
-V OUT1
LIMITER
Q702
BOOSTER
Q703
BOOSTER
Q704
CURRENT
DETECT
Q705,706
OVER LOAD
DETECT
Q708,709
IN2
8
12
+V OUT2
9NF2
LIMITER
Q651
11
-V OUT1
LIMITER
Q652
BOOSTER
Q653
BOOSTER
Q654
CURRENT
DETECT
Q655,656
IN+
1
6
+V OUT
POWER AMP
IC501
2
IN-
LIMITER
Q501
5-V OUT
LIMITER
Q502
BOOSTER
Q503
BOOSTER
Q504
CURRENT
DETECT
Q505,506
OVER LOAD
DETECT
Q507,509
OVER LOAD
DETECT
Q657,658
Q707
D706
D606
D506
D721
PROTECT
SWITCH
Q722,723,725
RELAY
DRIVE
Q791
RY791
RELAY
DRIVE
Q730
RY710
D731
RELAY
DRIVE
Q610
RY610
D735
RELAY
DRIVE
Q550
RY510
D734
IC401
3
1
RELAY
DRIVE
Q470
RY470
D736
L
R
SR
SL
C
R-CH
R-CH
R-CH
SPEAKERS
FRONT
PHONES
SPEAKERS
REAR
SPEAKERS
CENTER
TM601
TM602
SUB
WOOFER
J403
5.1CH
(VIDEO IN)
TV/LD
5.1 IN
J281
IN
OUT
OUT
J282
VIDEO1
MONITOR
DE345 MODEL
V3
12
V1
1
OUT
5
V2
3
M OUT
10
13S1
2S2
4S2
11
M
VIDEO SELECT
IC281
21
AUTO STOP
S1
2
S2
3
IC MUTE
4
22
T MUTE
23
STEREO IN
28
SIGNAL
24
PLL DATA
19
S DATA
18
S CLK
20
S CE
38
RDS CLK
15
RDS DATA
8
S CLK
9
S CE
17
S CE
7
S DATA
59
FUNC MUTE
47
PROTECT
AUTO STOP
T MUTE
STEREO
SIGNAL
PLL DATA
S DATA
S CLK
S CE
CLOCK
S CE
DATA
54
H/P RY
53
FRONT RY
51
REAR RY
52
CTR RY
55
WOOFER RY
100 9133 30
A/D1 A/D4
FUNCTION
KEY
S206-235
S236,237
CE MODEL ONLY
LED DRIVE
Q126
MUTING LED
45
S FIELD LED
68
B.B LED
69
SURR LED
66
LEVEL LED
65
NAME LED
64
SETUP LED
63
LED DRIVE
Q210-215
D216
MUTING
D210-215
SYSTEM CONTROL
IC103
RV201
ENCODER
2 3
ENCODER
50
ENCODER
49
SYS POWER
56
SP SW
61
SYSTEM
POWER
S200
SP
S201
ON
OFF
90 80 78 75
.
DIG1-10 S1-S15
FLUORESCENT
INDICATOR TUBE
F1 F2
FL201
10
RESET
39
STOP
26
SIRCS
REMOTE
CONTROL
RECEIVER
2
1
IC203
POWER
CONTROL
IC950
5
8
3
6
+5.6V REG
Q951
D201
D202
D910-913
AC
IN
T972
RY901
D915D914
RELAY
DRIVE
Q470
D820-823
46
VDD
34
VDD
16
VDD
1VDD
-7V
REG
3 2
+7V
REG
3 1
+5V
REG
3 1
+5V
REG
3 1
+9V
REG
3 1
DOLBY SURR
+9V
DISPLAY
+5V(A)
AUDIO
+7V
AUDIO
-7V
TUNER,RDS
AUDIO
+5V(B)
IC805
IC803
IC804
IC807
IC802
POWER RY
48
RELAY
+B
+12V
REG
3 1
POWER AMP
+12V
IC801
-24V REG
Q801
FL201
-24V
-B SW
Q715
POWER AMP
-B
D824
D802
T901
POWER AMP
+B
240V
220V
120V
0V
VOLTAGE
SELECTOR
E,Saudi Arabia,PX MODEL
S901
12 11
X1
X2
X201
5.00MHz
16
F1
F2
All manuals and user guides at all-guides.com

Other manuals for Sony STR-DE245

Related product manuals