EasyManua.ls Logo

Sony STR-DE695 - Schematic Diagram - S-Video Section

Sony STR-DE695
68 pages
Print Icon
To Next Page IconTo Next Page
To Next Page IconTo Next Page
To Previous Page IconTo Previous Page
To Previous Page IconTo Previous Page
Loading...
STR-DE695
37 37
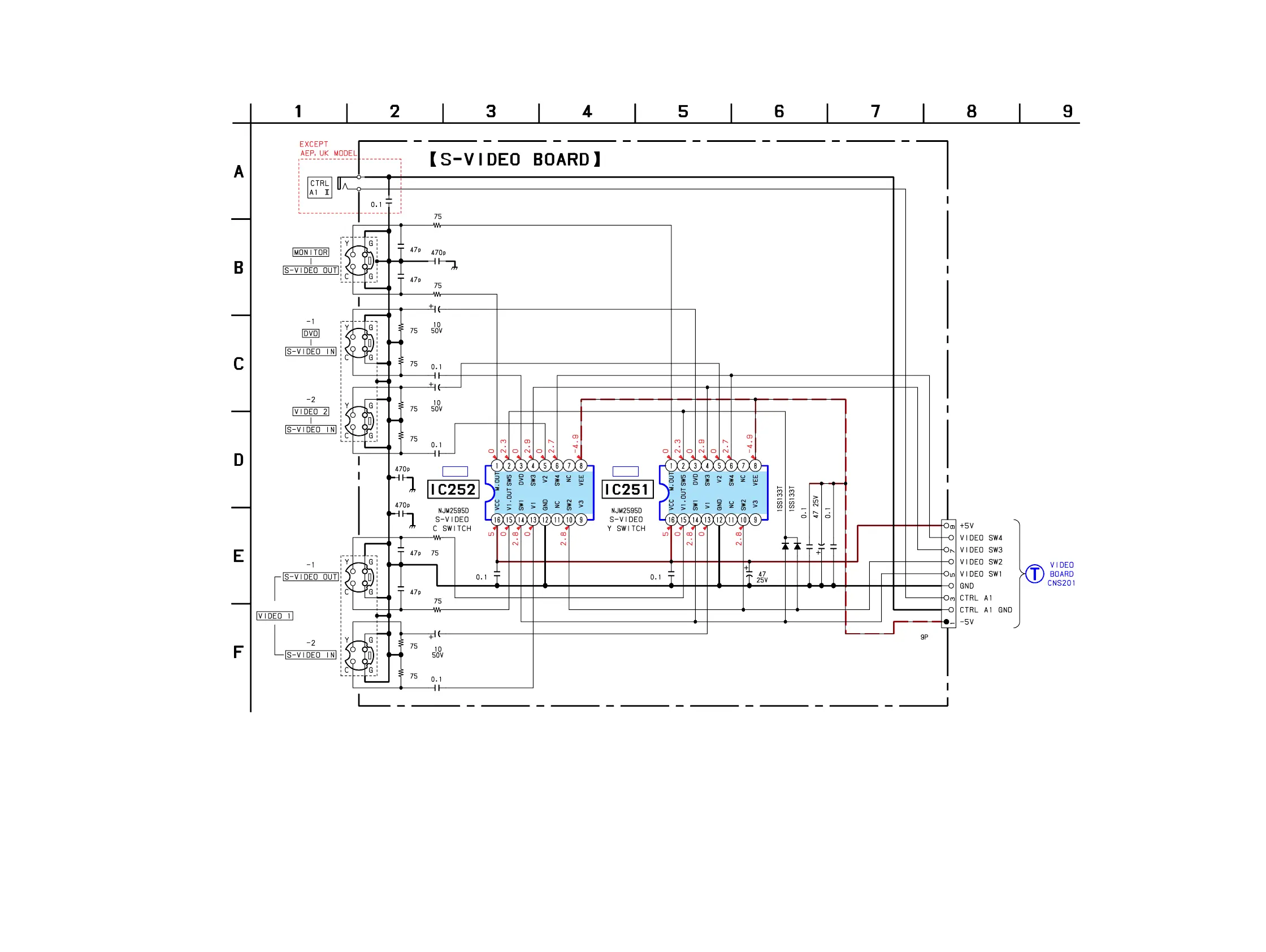
4-20. SCHEMATIC DIAGRAM — S-VIDEO SECTION — • Refer to page 24 for Common Note on Schematic Diagram and page 45 for IC Block Diagrams.
IC B/D IC B/D
R255
R206
R259
R260
R258
R253
R254
C265
C266
C259
C258
R257
R251
J254
C272
C261
C262
C263
C253 C252
C268
C269
D251
D252
C255
C256
R252
J251
J253
J252
C275
C267
C257
C260
CNS252
IC252 IC251
C254
C251
(Page 35)

Other manuals for Sony STR-DE695

Related product manuals