EasyManua.ls Logo

Sony STR-DE695 - Printed Wiring Boards - Video Section

Sony STR-DE695
68 pages
Print Icon
To Next Page IconTo Next Page
To Next Page IconTo Next Page
To Previous Page IconTo Previous Page
To Previous Page IconTo Previous Page
Loading...
STR-DE695
3434
1
A
B
C
D
E
F
G
H
I
J
234567891011
J200
J201
C210
R218
C206
C200
R200
R220
C208
C248
IC301
C303
C302
IC302
R304
R305
R306
C313
C308
C309
R309
R308
R307
C310
C311
C312
C301
C317
C338
Q301
R325
C329
R347
C214
C332
R313
C213
D204
R201
C207
R221
C330
C331
R312
R311
R310
R302
R303
C220
C221
JW207
JW212
JW213
JW214
JW215
JW218
JW219
JW220
JW221
JW222
JW224
JW225
JW226
JW205
JW217
JW216
R301
JW223
JW210
JW228
C201
CNS201
D203
CNP203
C215
JW208
JW211
JW209
JW200
JW201
JW230
C223
C224
JW202
JW231
JW232
CNP202
BT300
PL1
PL2
C209
IC807
IC804
CNS250
IC203
R219
C294
J298
W290
C293
R298
CN201
R299
(Page 33)
(Page 36)
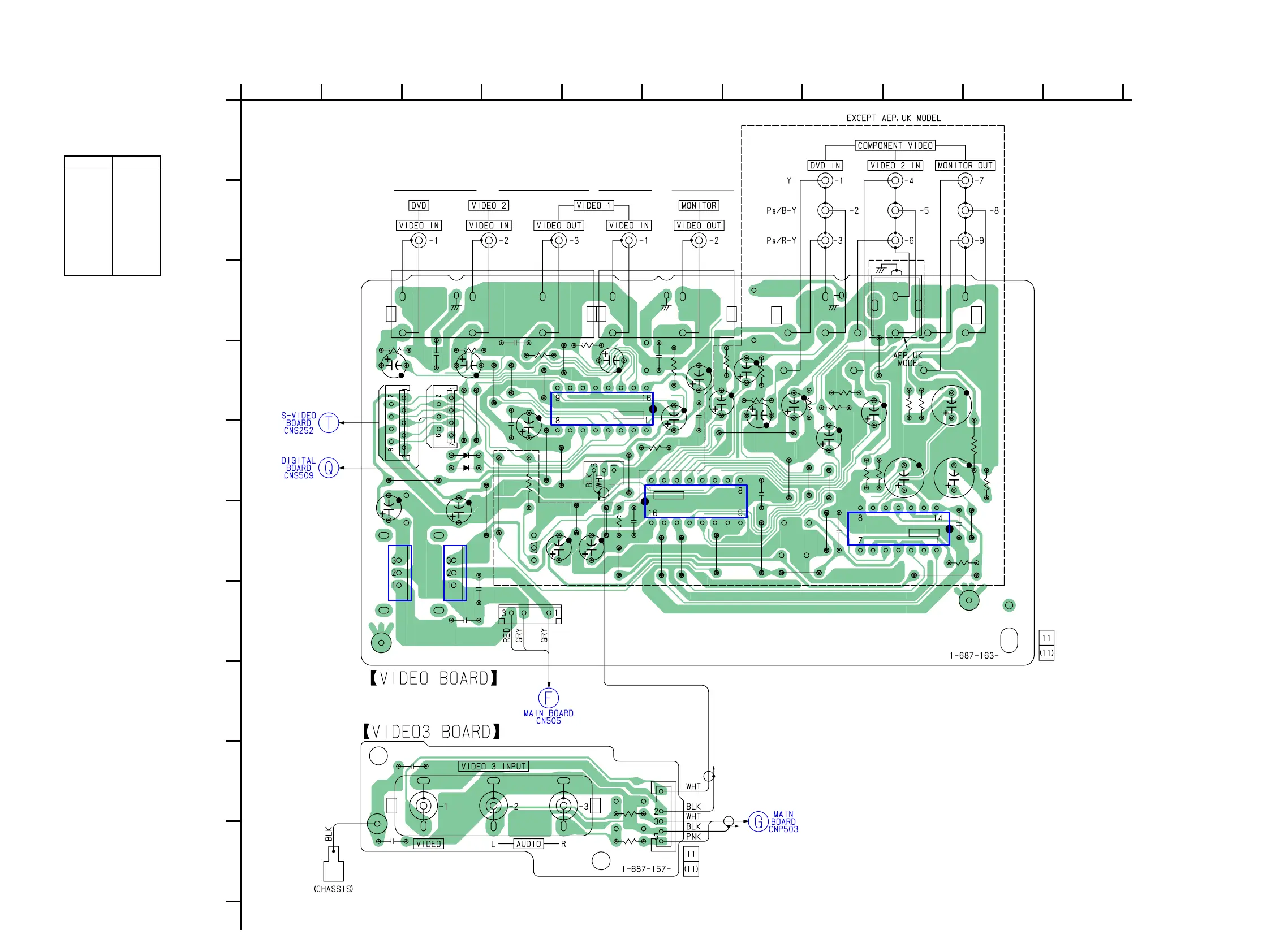
4-17. PRINTED WIRING BOARDS — VIDEO SECTION — • Refer to page 24 for Circuit Boards Location and Common Note on Printed Wiring Boards.
(Page 25)
(Page 25)
D203 E-3
D204 E-4
IC203 D-5
(IC301) E-6
(IC302) F-9
IC804 F-3
IC807 F-2
Q301 F-4
Semiconductor
Location
Ref. No. Location
( ): Except AEP, UK
model

Other manuals for Sony STR-DE695

Related product manuals