EasyManua.ls Logo

Sony STR-K780 - Schematic Diagram - MAIN Board (2;3), HEADPHONE Board

Sony STR-K780
54 pages
Print Icon
To Next Page IconTo Next Page
To Next Page IconTo Next Page
To Previous Page IconTo Previous Page
To Previous Page IconTo Previous Page
Loading...
2323
STR-K680/K780
STR-K680/K780
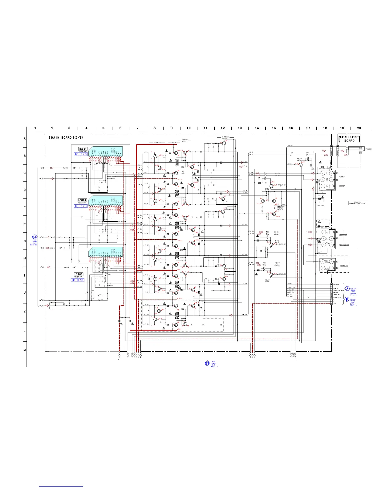
3-10. SCHEMATIC DIAGRAM – MAIN BOARD (2/3), HEADPHONE BOARD –
• See page 33 for IC Block Diagrams.
20
20
24
K680
K680
K680
K680
K780
R793
R479
R702
R701
R704
C701
C551
C502
C552
R501
R551
C507
C557
R504
R554
C601
C602
C607
R601
R604
C651
C652
R651
R654
C657
C707
C702
R507
R508
R509
R511
R513
R514
R517
R518
R519
R520
R522
C513
C514
C516
R558
R559
R570
R561
C563
R563
R564
R569
R568
C565
C564
R572
R571
C566
R609
C613
R613
R614
R619
R618
C615
C614
R617
R622
C616
R620
R669
R668
C664
R667
C665
R672
R671
C666
R664
R670
R663
C663
R661
R659
R657
R707
R709
C713
R713
R720
R714
C714
R717
R718
R719
R524
R624
R724
C815C816
C881
C882
R882
R883
R884
R885
C606C656
R516
R616
R666
R716
C712
C711
C662
C661
C612
C611
C562
C561
C512
C511
C554
C504
R500
R816
JW600
JW650
R512
R562
R612
R662
R712
C754
R757
R759
R758
C761
C762
R762
R761
C763
R763
R770
R771
C766
R764
R772
CNP701
R515
R615
R665
R715
R510
R560
R610
R660
R710
R531
R532
R760
R503
R553
R603
R653
R703
R525
R791
R625
R529
C529
R539
R549
C549
R550
R729
R740
D729
R843
R844
C501
C842
C515
R766
R765
C756
R751
R752
R752
R449
JW700
C700
C704
R652
R602
R753
C604
C600
C654
C500
R502
R552
C506
C508
R506
R521
C558
R557
R555
R556
C608
R606
R565
R566
R567
R621
R607
R611
R608
C658
R655
R656
R658
R708
R706
R711
C715
C708
C758
R722
C716
R721
C729
R755
R756
TM601
TM600
R840
CNP503
CN701
J700
IC501
STK350-530-E
IC601
IC701
C553
100p
100p
C503
C603
100p
C653
100p
R600
C753
C703
100p
C751
D448D449
Q501
Q551
Q601
Q651
Q701
Q751
Q752
Q702
Q652
Q602
Q552
Q502
Q554
Q504
Q503
Q553
Q603
Q604
Q654
Q653
Q703
Q704
Q754
Q753
Q505
Q506
Q556
Q555
Q605
Q606
Q656
Q655
Q705
Q706
Q756
Q755
D751
Q707
Q657
D702
D652
Q607
D549
D502
D501
D529
D552
D602
D701
D651
D601
D551
D503
Q508
D882
D883
D603
Q608
Q883
Q882
Q881
D881
D841
Q509
D791
RY502
RY501
RY601
Q708
RY701
D703
R725
TP300
JW500
C556
R754 C706
C757
R815
R505
R605
R705
Q507
Q557
82
2.2k
68k
J753 56k
1k
68k
4.7
50V
4.7
50V
100p
100p
1k
1k
100
10V
100
10V
68k
68k
4.7
50V
100p
100
10V
1k
68k
4.7
50V
100p
1k
68k
100
10V
100
10V
100p
560
100
100
4.7k
1.5k
15k
15k
22k
22k
68k
47k
220p
0.01
0.022
100
100
68k
4.7k
220p
1.5k
15k
22k
22k
10
50V
0.01
47k
10
0.022
100
220p
1.5k
15k
22k
22k
10
50V
0.01
15k
47k
0.022
68k
22k
22k
0.01
15k
10
50V
47k
10
0.022
15k
68k
1.5k
220p
4.7k
100
560
560
100
220p
1.5k
68k
15k
0.01
15k
22k
22k
82
82
82
10
100V
10
100V
220
16V
10
50V
10k
6.8k
39k
1k
3p 500V3p 500V
3.3k
3.3k
3.3k
3.3k
47p
500V
47p
500V
47p
500V
47p
500V
47p
500V
47p
500V
47p
500V
47p
500V
47p
500V
47p
500V
33p
500V
33p
500V
47k
47k
R700
47k
1
JW
NM
6.2k
R523
JW
R551
R623
JW
JW
R673
JW
R723
JW
6.2k
6.2k
6.2k
6.2k
4P
22k
22k
22k
22k
680
1W
680 1W
0.22
0.22
0.22
0.22
0.22
2.7k2.7k
2.7k
2.7k
2.7k
2.2k
2.2k
2.2k
47k
0.01
100k
47k
0.01
100k
47k
100k
1SS133
22k
22k
4.7
50V
47
25V
10
50V
JW
2.2
100V
33p 500V
68k
68k
33p 500V
2.2
100V
33p
500V
2.2
100V
68k
68k
3p 500V
47
25V
82k
10
47
25V
560
2.2k
82k
47
25V
82k
22k
3.3k
15k
10
560
4.7k
100
47
25V
2.2k
82k
100
100
82k
4.7k
10 50V
47
25V
47k
0.022
10
0.01
6.8k
9P
4P
2SA1115TP
-EF
2SA1115
TP-EF
2SA1115
TP-EF
2SA1115
TP-EF
2SA1115
TP-EF
2SC3623
ATP-LK
2SC3623
ATP-LK
2SC3623
ATP-LK
2SC3623
ATP-LK
2SC3623
ATP-LK
MP1620OPY-MK
MP1620OPY-MK
MN2488OPY-MK
MN2488OPY-MK
MN2488OPY-MK
MP1620OPY-MK
MP1620OPY-MK
MN2488OPY-MK
MN2488OPY-MK
MP1620OPY-MK
2SA1038S
-RSE-TP
2SA1038S
-RSE-TP
2SA1038S
-RSE-TP
2SA1038S
-RSE-TP
2SA1038S
-RSE-TP
2SA1038S
-RSE-TP
2SA1038S
-RSE-TP
2SA1038S
-RSE-TP
2SA1038S
-RSE-TP
2SA1038S
-RSE-TP
2SC1815
GR-TEP2
2SC1815
GR-TEP2
1SS133T-72
1SS133T-72
2SC1815
GR-TEP2
1SS133T-72
1SS133T-72
1SS133T-72
1SS133T-72
1SS133T-72
1SS133T-72
1SS133T-72
1SS133T-72
1SS133T-72
1SS133T-72
1SS133T-72
2SC1740S
-QRT
1SS133T-72
1SS133T-72
1SS133T-72
2SC1740S-QRT
2SC1841TP
2SC1740S-QRT
2SA1038S
-RSE-TP
1SS133T-72
MTZJ-T-72-5.6C
2SC1740S-QRT
1SS133T-72
2SC1740S-QRT
1SS133T-72
2.2k
JW
3p
500V
3p 500V
1
2.2k
2.2k
2.2k
2SC1815GR
-TPE2
2SC1815GR-TEP2
33p
500V
47k
100
100
560
47p
500V
47p
500V
6.2k
68k
0.022
10
15k
1.5k
220p
4.7k
0.22
22k
2.2k
3p
500V
1k
1k
2.2k
47
25V
2.2k
82k
100p
4.7
50V
1SS133T-72
1SS133T-72
2SA1115
TP-EF
2SC3623
ATP-LK
MP1620OPY-MK
MN2488OPY-MK
2SA1038S
-RSE-TP
2SA1038S
-RSE-TP
1SS133T-72
68k
100
10V
RR11
10
CC11 0.01
RR12 10
K780
CC12
0.01
K780
K780
K780
K780
K780
RR13 10
CC13
0.01
RR14
10
CC14
0.01
CC15
0.01
RR15
10
TM602
TM602
R881
47K
K780
68k : K680
56k : K780
STK350-530-E
STK350-530-E
Ver. 1.3

Related product manuals