EasyManua.ls Logo

Sony STR-KM5500 - VIDEO STANDBY SUPPLY Board Schematic; VIDEO STANDBY SUPPLY Board ICs and Power Regulation Schematic

Sony STR-KM5500
72 pages
Print Icon
To Next Page IconTo Next Page
To Next Page IconTo Next Page
To Previous Page IconTo Previous Page
To Previous Page IconTo Previous Page
Loading...
STR-KM5500
STR-KM5500
3535
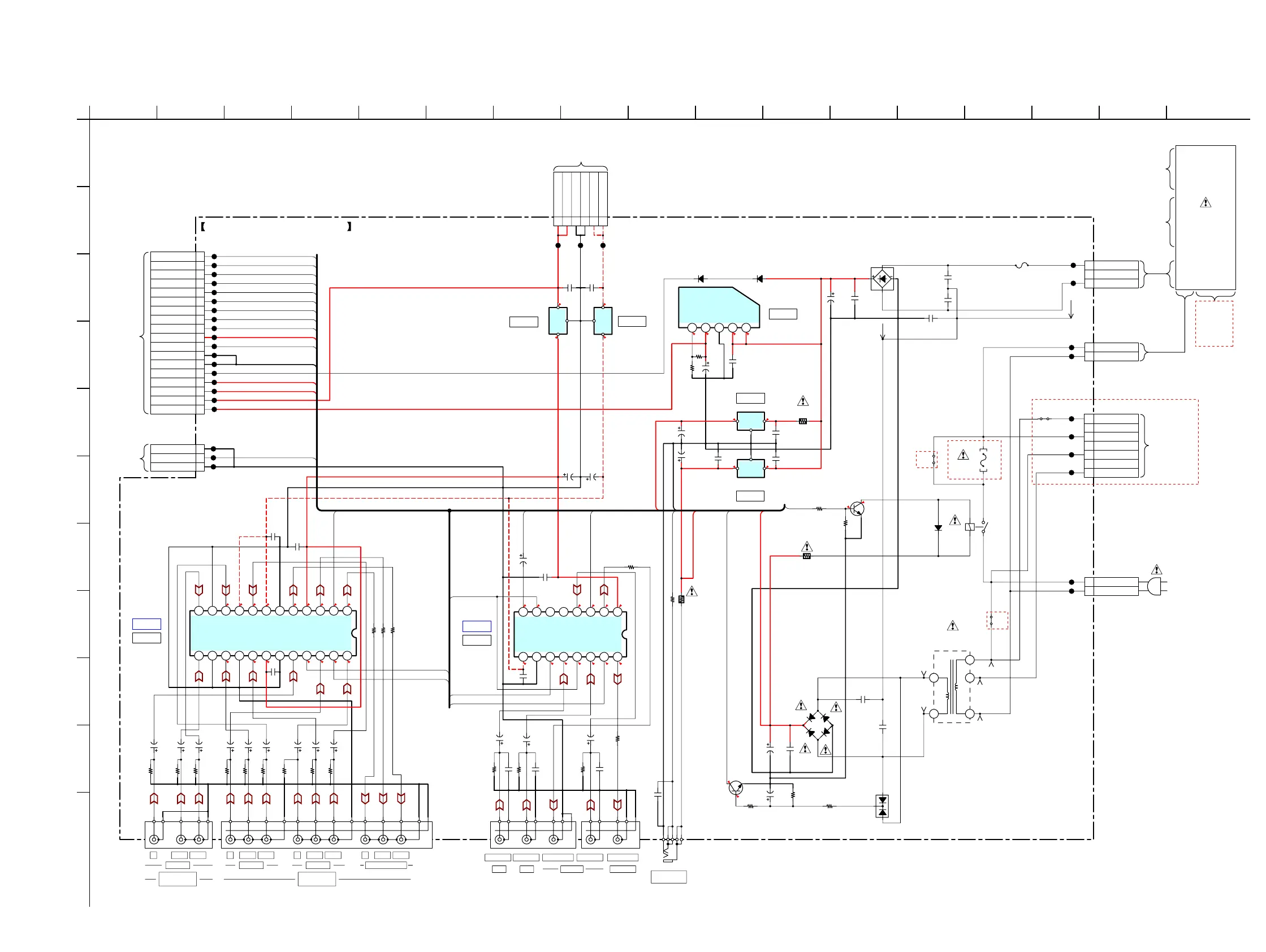
6-17. SCHEMATIC DIAGRAM – VIDEO STANDBY SUPPLY Section –
• See page 45 for IC Block Diagrams.
1
A
B
C
D
E
F
G
H
I
J
K
2 3 4 5 6 7 8 9 10 11 12 13 14 15 16 17
VIDEO STANDBY SUPPLY BOARD
(
MAIN BOARD
(2/2)
CNP910
(Page 28)
)
MAIN BOARD
(2/2)
CNP920
(Page 28)
.
AC SELECT
BOARD
CNP903
(Page 43)
/
(Page 42)
CONNECTION BOARD
CNP511
1
AC SELECT
BOARD
CNP905
(Page 43)
*
DIGITAL AB
BOARD
(2/3)
CNP505
(Page 32)
-
VIDEO2 DCAC
BOARD
CN173
(Page 39)
E51, EA
E51, EA
~
~
MAIN POWER
TRANSFORMER
T901
15
5
-15
-5
1.3 6 8.8 8.8
0.8
0.2
0
0.6
8.8
5
8.8
5
00 0005
-5 -1 0 -1 0 0 0
0
0 0 5 -1 0 -1 0
-5 0 -5 0 5 0 -0.9 0
1
2
3
4
5
6
7
8
9
10
11
12
13
14
15
16
17
18
+6V
+15V (TUNER)
+5V (DSP)
+5V (FL,DCDC)
+R4
R4_GND
R4_GND
SW_PROTECTOR
+9V STBY
STOP
PW_RY
V_MUTE
COMPONENT SW2
COMPONENT SW1
COMPOSITE SW1
COMPOSITE SW1
COMPONENT SW1
COMPONENT SW2
V_MUTE
PW_RY
STOP
+9V STBY
SW_PROTECTOR
+5V (FL,DCDC)
+5V (DSP)
+5V (DSP)
+5V (FL,DCDC)
R4_GND
R4_GND
SW_PROTECTOR
+9V STBY
STOP
PW_RY
V_MUTE
COMPONENT SW1
COMPONENT SW2
COMPOSITE SW5
COMPOSITE SW4
COMPOSITE SW2
COMPOSITE SW5
COMPOSITE SW4
COMPOSITE SW2
COMPOSITE SW1
COMPOSITE SW2
COMPOSITE SW4
COMPOSITE SW5
18P
CNS271
CL207
CL208
CL209
CL211
CL212
CL213
CL214
CL215
CL217
CL218
CL219
CL221
CL222
CL224
CL223
CL225
CL243
CL244
1
2
3
CNP240
3P
GND
FRONT VIDEO2
FRONT VIDEO2
FRONT VIDEO2
GND
10
C240
CL229
CL230
CL231
35V
47
C203
C201
25V
0.47
35V
47
C204
25V
C202
0.47
I
O
G
I
O
G
12345
VC
VIN
GND
VOUT
SENSE
1SR154-400TE-25
D946
1SR154-400TE-25
D947
16V
3300
C904
1
2
3
3P
CNP940
R4 +AC
NC
R4 -AC
D3SB60F3
D941
CL232
CL233
250V
3.15A
RF940
0.1
C942
50V
0.01
C945
W202
50V
0.47
C940
50V
0.47
C941
VCC
GND
OUT
50V
0.47
C252
10V
470
C251
50V
0.47
C257
18k
R257
R256
4.7k
2.2
R280
10V
470
C256
VCC
GND
OUT
50V
0.47
C254
10V
470
C253
22
R279
1
4
4P
CNP902
LIVE
NEUTRAL
CL234
CL236
FH901
FH902
F901
T2.5AL/250V
1
3
3P
CNP901
LIVE
NEUTRAL
CL241
CL242
JS903
1/4W
1
R902
RY901
5V, TV-8
MA2J1110GLS0
D901
2SC3052EF-T1-LEF
RELAY DRIVER
Q901
2.2k
R903
47k
R904
50V
1
C992
2SC3052EF-T1-LEF
AC IN DETECT
Q990
1/10W
22k
R991
1/10W
10k
R993
1/10W
47k
R990
SUB POWER
TRANSFORMER
T902
SUB_PT_P6
SUB_PT_P8
SUB_PT_P4
SUB_PT_P3
NEUTRAL_SUB_PT_P1
R276 75
NJM2595M-TE2
IC210
75R213
J221
75
R215
0.1
C232
50V
10
C229
50V
10
C228
50V
10
C227
50V
10
C226
50V
10
C225
50V
10
C224
50V
10
C223
50V
10
C222
50V
10
C221
75
R214
R277 75
75R211
0.1
C233
0.1
C215
50V
10
C213
50V
10
C212
50V
10
C211
0.5%
75
R229
0.5%
75
R228
0.5%
75
R227
0.5%
75
R226
0.5%
75
R225
0.5%
75
R224
0.5%
75
R223
0.5%
75
R222
0.5%
75
R221
CH1 = Y
CH2 = Pb
CH3 = Pr
6P
CNS203
0.1
C217
75
R212
R278 75
16V
C953
3300
CL226 CL227 CL228
47pC209
47pC210
J222
47pC208
C258
0.1
1kR245
MC2838-T112-1
D990
0.1
C239
0.1
C943
W201
50V
0.47
C950
D952
D950
1SR154-400TE-25
D950-D953
D951
D953
50V
0.47
C951
1
2
3
4
5
6
-15V
-15V
GND
GND
+15V
+15V
1
3
4
6
8
1615141312
1110
9
8 7
6
5 4 3
2 1
VOUT1
SW5
VIN5
SW3
VIN4
SW4
VIN3
V-
VIN2
SW2
VOUT3
GND
VIN1
SW1
VOUT2
V+
G
123 674 5 8 9 10 11 12 13
21345
V1
V2
G
12 3 4 5
V2
V1 V3
G
567341 2
2423
22
21
20
1918
7654321
171615
1413
8
910
1112
CH1 IN1
SW1
CH1 IN2
SW2
CH1 IN3
GND
V+1
CH2 IN1
GND
CH2 IN2
GND
CH2 IN3
CH3 IN3
GND
CH3 IN2
V-1
CH3 IN1
V-2
GND
CH3 OUT
V+2
CH2 OUT
PS
CH1 OUT
12
3
4 5
BA50BC0T
+5V REG
IC251
BA50BC0T
+5V REG
IC252
IC252
IC251
BA00CC0WT(-V5)
+6V REG
IC253
IC253
KIA7805API-U/PF
IC201
KIA7905PI
IC202
+5V REG
IC201
-5V REG
IC202
INPUT SELECT
IC210
IC B/D
NJM2586AM
IC220
COMPONENT
VIDEO SELECT
IC220
IC B/D
~ AC IN
COMPONENT
VIDEO
COMPONENT
VIDEO
SAT IN
Y
P
B /CB PR/CR PB /CB PR /CR
DVD IN
Y
P
B /CB PR/CR
Y
P
B /CB PR/CR
Y
BD IN
MONITOR OUT
J211J220 J210
VIDEO IN VIDEO IN VIDEO OUT VIDEO OUTVIDEO IN
MONITOR
SYSTEM
CONTROL OUT
VIDEO 1SAT DVD
EXCEPT
E51, EA
EXCEPT
E51, EA
EXCEPT
E51, EA
JS904
1
2
3
4
5
6
7
CN903
7P
220V/240V
AC IN (120V/240V)
AC IN FOR SUB PT
120V/127V
CL238
CL239
CL237
CL240
JS902
0.1
50V
C259
Ver. 1.1