EasyManua.ls Logo

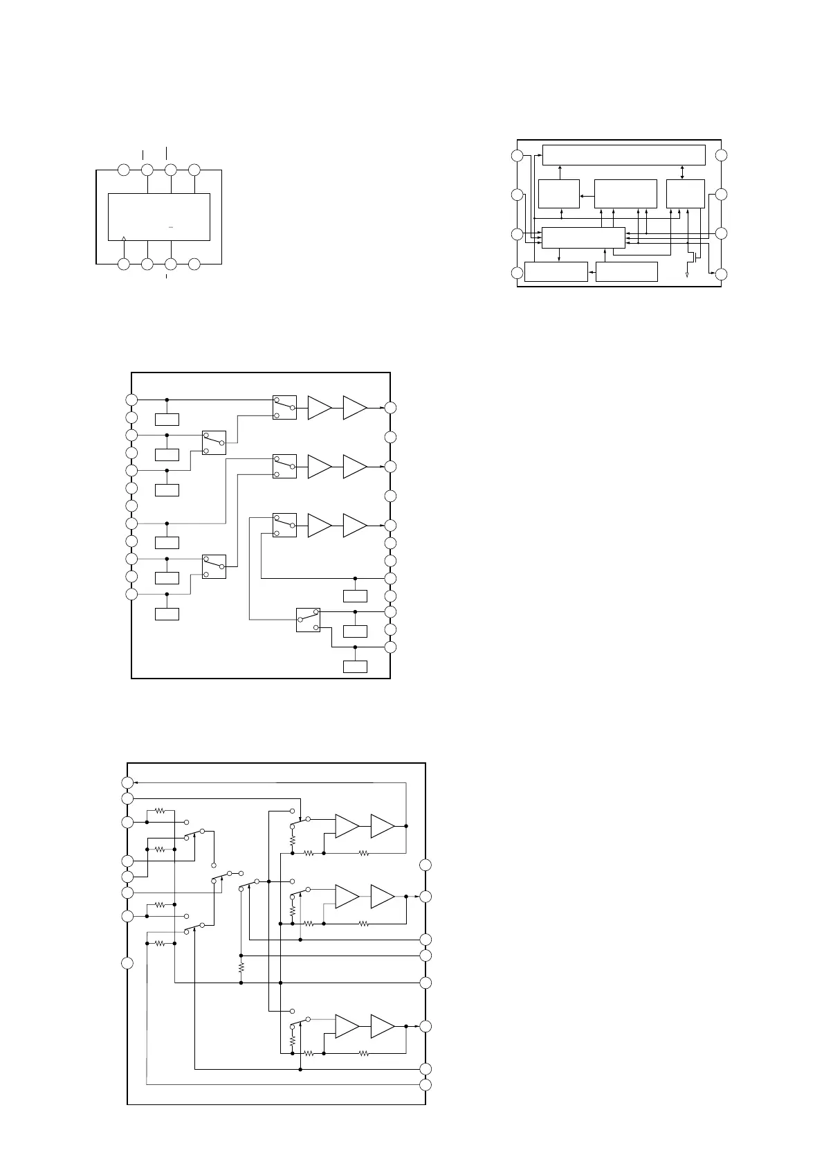
Sony STR-KM5500 - IC Block Diagrams - Analog Switches and EEPROM; IC220 NJM2586 AM Block Diagram

Sony STR-KM5500
72 pages
Print Icon
To Next Page IconTo Next Page
To Next Page IconTo Next Page
To Previous Page IconTo Previous Page
To Previous Page IconTo Previous Page
Loading...
STR-KM5500
47
IC1014 TC7WH74FU (TE12R)
(DIGITAL AB BOARD) (2/3))
IC220 NJM2586AM (VIDEO STANDBY SUPPLY BOARD)
IC1131 BR24S16FJ - WE2
(DIGITAL AB BOARD (3/3))
IC210 NJM2595M-TE2 (VIDEO STANDBY SUPPLY BOARD)
6
CLR
7
PR
8
VCC
5
Q
RSQ
3
Q
2
D
4
GND
1
CK
QDC
8 bit
START STOP
ACK
Vcc
WP
SCL
SDA
A2
GND
High Voltage Gen Vcc Level Detect
Control Logic
Data
Register
1
2
AO
11 bit
11 bit
A1
16Kbit EEPROM ARRAY
Address
Decode
Slave, Word
Address Register
5
6
7
8
3
4
CONT2
CONT2
CONT1
CONT1
CONT1
1CH1 IN1
2SW1
4SW2
24 CH1 OUT
23 PS
BIAS
3CH1 IN2
BIAS
5CH1 IN3
6GND
7V+1
BIAS
11GND
12CH2 IN3
BIAS
8CH2 IN1
9GND
BIAS
10CH2 IN2
BIAS
75
DRIVER
6dB
AMP
22 CH2 OUT
75
DRIVER
6dB
AMP
21 V+2
20 CH3 OUT
19 GND
18 V–2
16 V–1
17 CH3 IN1
75
DRIVER
6dB
AMP
BIAS
15 CH3 IN2
BIAS
13 CH3 IN3
14 GND
BIAS
CONT2
15 VOUT2
16 V+
14 SW1
75
DRIVER
6dB
AMP
75
DRIVER
6dB
AMP
11 VOUT3
75
DRIVER
6dB
AMP
13 VIN1
12 GND
10 SW2
9 VIN2
3VIN5
4SW3
5VIN4
6SW4
7VIN3
2SW5
1VOUT1
8V–