EasyManua.ls Logo

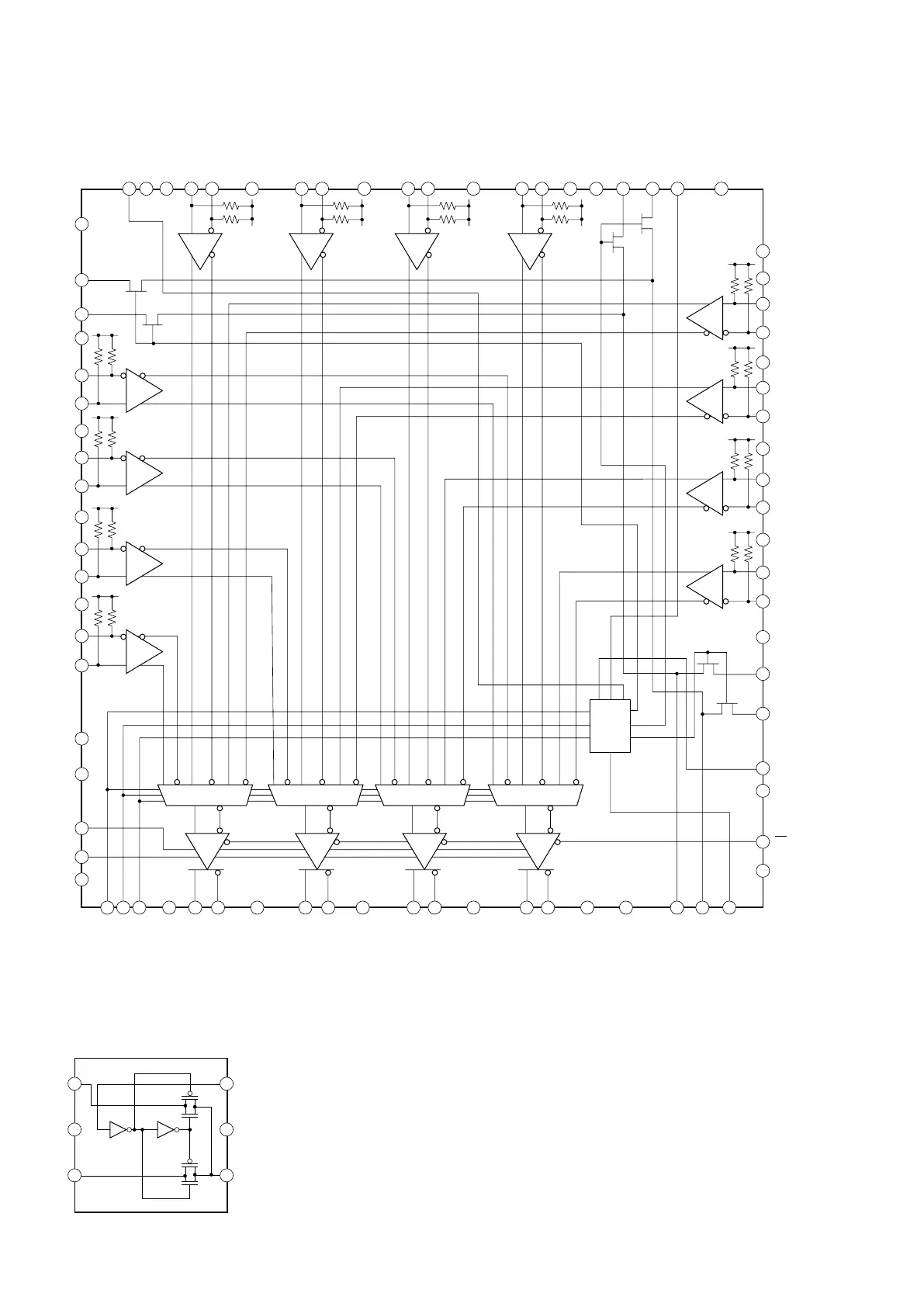
Sony STR-KM5500 - IC Block Diagrams - HDMI SW Board ICs; IC5001 TMDS341 PFCR Block Diagram

Sony STR-KM5500
72 pages
Print Icon
To Next Page IconTo Next Page
To Next Page IconTo Next Page
To Previous Page IconTo Previous Page
To Previous Page IconTo Previous Page
Loading...
STR-KM5500
48
VCC
VCC
NC
HPD1
VCC
GND
A24
B24
VCC
A23
B23
GND
A22
B22
VCC
A21
B21
GND
GND
SCL2
SDA2
HPD2
VCC
SDA1
SCL1
GND
B11
A11
VCC
B12
A12
GND
B13
A13
VCC
B14
A14
GND
VCC
VSADJ
PRE
NC
S1
S2
S3
GND
Y4
Z4
VOC
Y3
Z3
GND
Y2
Z2
VOC
Y1
Z1
GND
GND
NC
VCC
HPD3
SDA3
SCL3
GND
B31
A31
VCC
B32
A32
GND
B33
A33
VCC
B34
A34
GND
NC
SCL_SNK
SDA_SNK
HPD_SNK
VCC
VCC
VCC
VCC
VCC
VCC
VCC
VCC
VCC
VCC
RX WEQ
RX WEQ
RX WEQ
RX WEQ
RX WEQ
TMDS
DRIVE
TMDS
DRIVE
TMDS
DRIVE
TMDS
DRIVE
RX WEQ RX WEQ RX WEQ
RX WEQ
RX WEQ
RX WEQ
RX WEQ
60
59
58
57
56
55
54
53
52
51
50
49
48
47
46
45
44
43
42
41
4039383736353433323130292827262524232221
20
19
18
17
16
15
14
13
12
11
10
9
8
7
6
5
4
3
2
1
80 79 78 77 76 75 74 73 72 71 70 69 68 67 66 65 64 63 62 61
CONTROL
LOGIC
CE
3-TO-1 MUX 3-TO-1 MUX 3-TO-1 MUX 3-TO-1 MUX
IC5001 TMDS341PFCR (HDMI SW BOARD)
IC5005 SN74LVC1G3157DCKR (HDMI SW BOARD)
B2
GND
B1
S
VCC
A
1
2
3
6
5
4