EasyManua.ls Logo

Sony STR-SL5 - Speaker System Installation; Speaker System Wiring

Sony STR-SL5
72 pages
Print Icon
To Next Page IconTo Next Page
To Next Page IconTo Next Page
To Previous Page IconTo Previous Page
To Previous Page IconTo Previous Page
Loading...
10
GB
INPUT
AUDIO
IN
BA A A
AA
b
E
e
EeEe
E
e
E
e
OUT
IMPEDANCE USE 816
RFRONTL
IMPEDANCE USE 816
RSURRL CENTER
MONITOR OUT
SUB
WOOFER
SPEAKERS
+
+
SPEAKERS
+
+
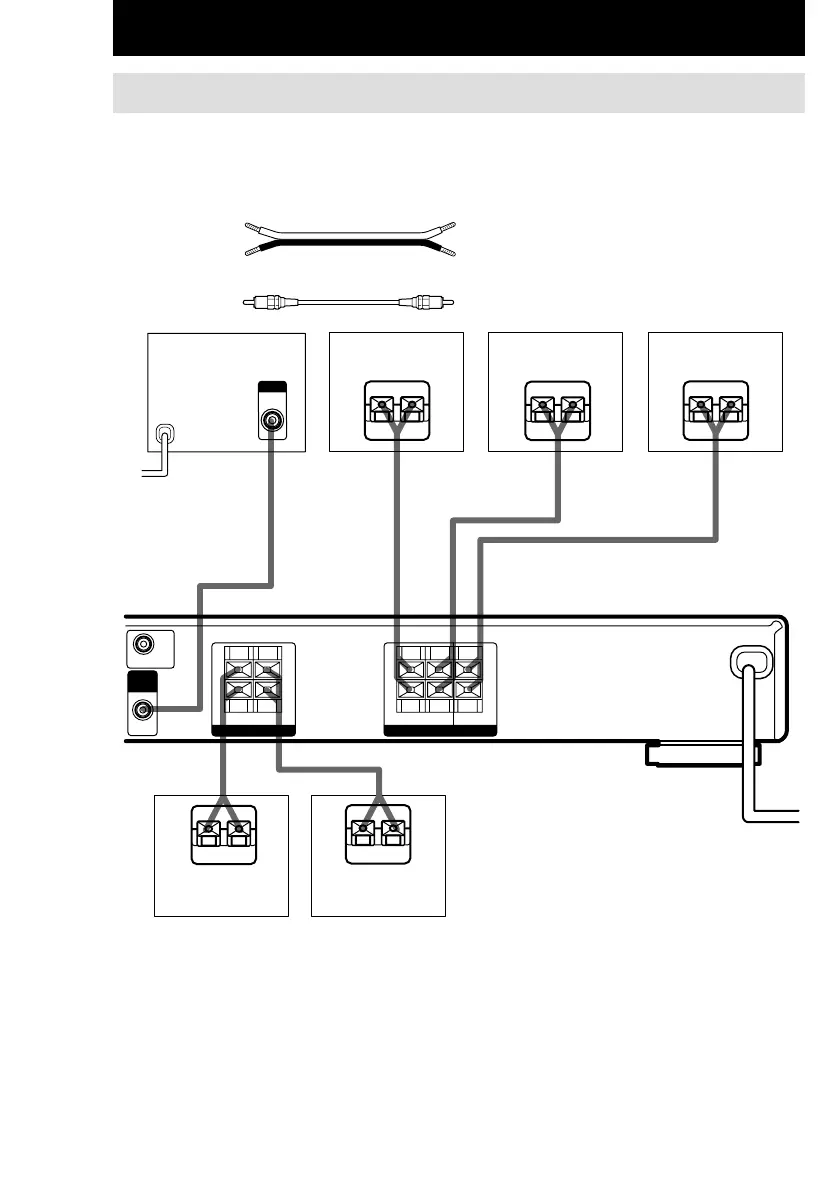
Speaker system hookups
Before connecting speakers, be sure to turn off this unit.
Required cords
A Speaker cords (not supplied)
(+) (+)
()()
B Monaural audio cord (not supplied)
Black Black
Hooking Up and Setting Up the Speaker System
Front speaker (L)Front speaker (R)
Center speakerSurround speaker
(L)
Surround speaker
(R)
Active sub woofer
To a wall outlet
(Switch the power to
off before connecting
the power cord.)

Table of Contents

Related product manuals