EasyManua.ls Logo

Sony STR-SL5 - Anschließen und Einrichten des Lautsprechersystems; Anschluss der Lautsprecher

Sony STR-SL5
72 pages
Print Icon
To Next Page IconTo Next Page
To Next Page IconTo Next Page
To Previous Page IconTo Previous Page
To Previous Page IconTo Previous Page
Loading...
10
DE
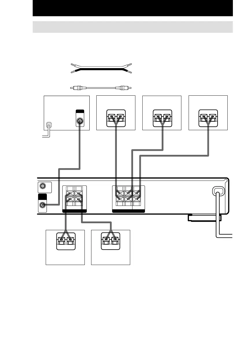
Anschluss der Lautsprecher
Schalten Sie das Gerät aus, bevor Sie die Lautsprecher anschließen.
Erforderliche Kabel
A Lautsprecherkabel (nicht mitgeliefert)
(+) (+)
()()
B Mono-Audiokabel (nicht mitgeliefert)
Schwarz Schwarz
Anschließen und Einrichten des Lautsprechersystems
Frontlautsprecher (L)Frontlautsprecher (R)
Centerlautsprecher
Surroundlautsprecher
(L)
Surroundlautsprecher
(R)
Aktiv-Subwoofer
An eine
Wandsteckdose
(Vor dem
Anschließen des
Netzkabels das
Gerät ausschalten.)
INPUT
AUDIO
IN
BA A A
AA
b
E
e
EeEe
E
e
E
e
OUT
IMPEDANCE USE 816
RFRONTL
IMPEDANCE USE 816
RSURRL CENTER
MONITOR OUT
SUB
WOOFER
SPEAKERS
+
+
SPEAKERS
+
+

Table of Contents

Related product manuals