EasyManua.ls Logo

Sony STR-W55 - Section 6: Exploded Views; Chassis and Cabinet Exploded Views

Sony STR-W55
28 pages
Print Icon
To Next Page IconTo Next Page
To Next Page IconTo Next Page
To Previous Page IconTo Previous Page
To Previous Page IconTo Previous Page
Loading...
– 26 –
SECTION 6
EXPLODED VIEWS
The components identified by mark
! or dotted line with mark ! are criti-
cal for safety.
Replace only with part number speci-
fied.
r
The mechanical parts with no reference num-
ber in the exploded views are not supplied.
r
Hardware (# mark) list and accessories and
packing materials are given in the last of this
parts list.
NOTE :
r
-XX, -X mean standardized parts, so they may
have some difference from the original one.
r
Items marked “
*
”are not stocked since they
are seldom required for routine service. Some
delay should be anticipated when ordering these
items.
r
Abbreviation
AED : Norway, Sweden, Finland, Denmark
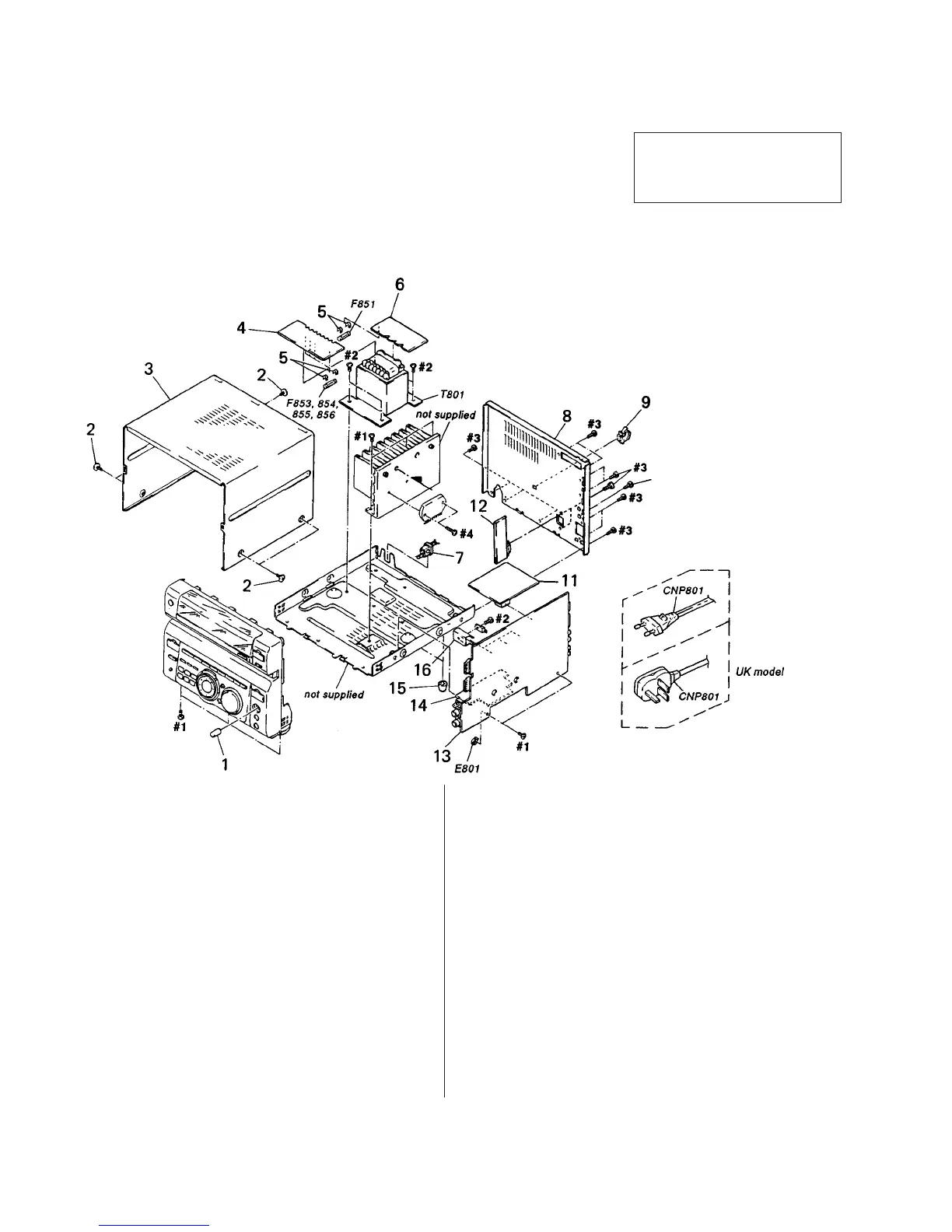
6-1. CHASSIS SECTION
10
Ref. No. Part No. Description Remark Ref. No. Part No. Description Remark
––––––– ––––––– –––––––––– ––––––– ––––––– ––––––– –––––––––– ––––––
1 4-978-037-01 KNOB (M) (MIC LEVEL)
2 3-704-366-01 SCREW (CASE) (M3X8)
3 4-979-348-51 CASE
* 4 1-658-765-11 TRANSFORMER B BOARD
5 1-533-293-11 FUSE HOLDER
* 6 1-658-764-11 TRANSFORMER A BOARD
* 7 3-703-244-00 BUSHING (2104), CORD
* 8 4-978-033-21 PLATE, JACK (EXCEPT UK)
* 8 4-978-033-61 PLATE, JACK (UK)
* 9 4-949-235-01 HOOK
10 4-909-982-11 SCREW, TAPPIN
* 11 A-4303-529-A TCB BOARD, COMPLETE (AEP,AED,UK)
* 11 A-4303-530-A TCB BOARD, COMPLETE (German,Italian)
* 12 1-660-130-11 SURROUND BOARD
* 13 A-4389-333-A MAIN BOARD, COMPLETE (EXCEPT UK)
* 13 A-4389-340-A MAIN BOARD, COMPLETE (UK)
* 14 A-4389-334-A POWER AMPLIFIER BOARD, COMPLETE
(EXCEPT UK)
* 14 A-4389-341-A POWER AMPLIFIER BOARD, COMPLETE (UK)
15 4-970-381-01 FOOT (REAR)
* 16 4-880-403-11 HEAT SINK
! CNP801 1-574-805-11 CORD, POWER (EXCEPT UK)
! CNP801 1-696-570-21 CORD, POWER (UK)
* E801 4-942-204-01 PLATE, GROUND
! F851 1-532-285-00 FUSE,TIME LAG (1.25A / 250V)
! F853 1-532-203-00 FUSE,TIME LAG (2A / 250V)
! F854 1-532-203-00 FUSE,TIME LAG (2A / 250V)
! F855 1-532-203-00 FUSE,TIME LAG (2A / 250V)
! F856 1-532-203-00 FUSE,TIME LAG (2A / 250V)
! T801 1-429-258-11 TRANSFORMER, POWER (EXCEPT UK)
! T801 1-429-643-11 TRANSFORMER, POWER (UK)
EXCEPT UK model

Related product manuals