EasyManua.ls Logo

Sony STRDG500S - 4 Diagrams; Block Diagram - Tuner;Audio Section

Sony STRDG500S
82 pages
Print Icon
To Next Page IconTo Next Page
To Next Page IconTo Next Page
To Previous Page IconTo Previous Page
To Previous Page IconTo Previous Page
Loading...
STR-DG500/DG600
15 15
STR-DG500/DG600
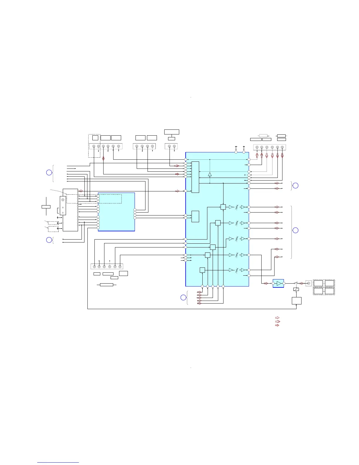
4-1. BLOCK DIAGRAM — TUNER/AUDIO SECTION —
SECTION 4
DIAGRAMS
43
76
75
78
74
73
70
SA-CD/CD
IN
MD/TAPE
OUT
MD/TAPE
IN
DVD AUDIO
IN
VIDEO 3 IN/
PORTABLE AV IN
L
J400(DG600)
J402(DG500)
DG600
J403 J298(2/2) J404
R
R–CH
R–CH
R–CH
R–CH
LR
AM
TN1
FM/AM TUNER UNIT
SYSTEM CONTROL
IC1101 (1/5)
LRLR
L
-3 -4 -1 -2
-5 -6
RL
VIDEO 2
AUDIO OUT AUDIO INAUDIO IN
RLR
R–CH
RDS SIG/XM REQ
S LATCH
SW RY
VOL DA
VOL CL
STEREO
TUNED
MUTE
DO
17
TUNER DATA/FL DATA
16
T.SERIAL CLK/FL CLK
L–CH
AEP,UK MODEL
AEP,UK MODEL
EXCEPT
AEP,UK MODEL
R–CH
STEREO
TUNED
MUTING
CE
DO
DATA
CLOCK
VIDEO 1
AUDIO
OUT
SUB
WOOFER
SUB
WOOFER
PRE
OUT
RELAY
DRIVER
Q560
SUB WOOFER
AMP
IC402
J309
RY560
DG500
DG600
XM L
XM R
XM REQ
XM DBPOWER
SBL–CH
C–CH
SR–CH
R–CH
SL–CH
L–CH
R–CH
L–CH
R–CH
TU+3.3V
11
14
60
59
XM_RST
XM DACMS
26
47
FM 75
COAXIAL
44
45
24
25
68 66
32
28
30
34
38
60
59
46
SUB
WOOFER
LR
R–CH
R–CH
LR
FRONT
SURROUND
CENTER
J401
MULTI CH IN
ANTENNA
10
13
12
41
42
88
87
85
84
86
81
SBR–CH
83
82
5 7
54 56 51 52 49
SW
SEL
C
SEL
SL
SEL
L
SEL
R–CH
R–CH
26
27
R–CH
R–CH
R–CH
R–CH
R–CH
R–CH
DIR
FUNCTION SELECT
IC401
AVCCAVEE
+7V–7V
-3 -4 -1 -2
AUDIO
R–CH
LR
22
-2 -3-3 -4
AUX
IN
LR
R–CH
-5 -6 -1 -2
-5 -6 -3 -4 -1 -2
SEL
SW
MCU
I/F
3.3V
(STBY)
SBL OUT
R–CH
SW OUT
C OUT
SL OUT
L OUT
R–CH
R–CH
TU+10V
52
RDS CLK/XM DPOWER
RDS INT
FM SIG OUT
53
RDS DATA/XM COMMAND
RDS DATA
• Signal path
: TUNER (FM/AM)
: VIDEO (AUDIO)
: CD (ANALOG)
• R
ch is omitted due to
same as L
ch.
SBL
SEL
36
XM COMMAND
XM DACMS
XM RESET
FL CLK
FL DATA
XM
SECTION
C
KEY/
DISPLAY
SECTION
D
DIGITAL
SECTION
B
17
DIGITAL
SECTION
A
POWER
SECTION
E
(Page 18)
(Page 19)
(Page 16)
(Page 16)
(Page 20)

Table of Contents

Related product manuals