EasyManua.ls Logo

Sony STRDG500S - Schematic Diagram - Digital Section (4;5)

Sony STRDG500S
82 pages
Print Icon
To Next Page IconTo Next Page
To Next Page IconTo Next Page
To Previous Page IconTo Previous Page
To Previous Page IconTo Previous Page
Loading...
STR-DG500/DG600
31 31
STR-DG500/DG600
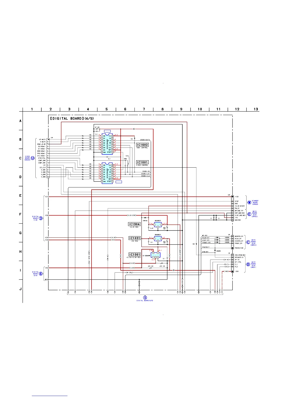
4-17. SCHEMATIC DIAGRAM — DIGITAL SECTION (4/5) — • Refer to page 51 for IC Block Diagrams.
IC B/D
IC B/D
D1001
CNP504
C1022
IC1031
C1032
IC1901
C2217
CNP503
CNP505
D1110
D1107
D1108
C1105 C1104
R1062
R1068
R1061
R1063
R1013
R1012
R1014
R1011
R1010
R1066
R1065
R1067
R1016
R1015
C1602
C1601
R1130
D1111
C1021
C1908
C1906
R1116
IC1602
CNS509
C2216
C2218
FB2034
IC1904
FB1308
IC1601
C1031
C1905
(Page 37)
(Page 28)
(Page 29)
(Page 32)
(Page 46)
(Page 25)
(Page 25)
(Page 25)

Table of Contents

Related product manuals