EasyManua.ls Logo

Sony STRDG500S - Schematic Diagram - Center;Surround Back Speaker Section

Sony STRDG500S
82 pages
Print Icon
To Next Page IconTo Next Page
To Next Page IconTo Next Page
To Previous Page IconTo Previous Page
To Previous Page IconTo Previous Page
Loading...
STR-DG500/DG600
3434
STR-DG500/DG600
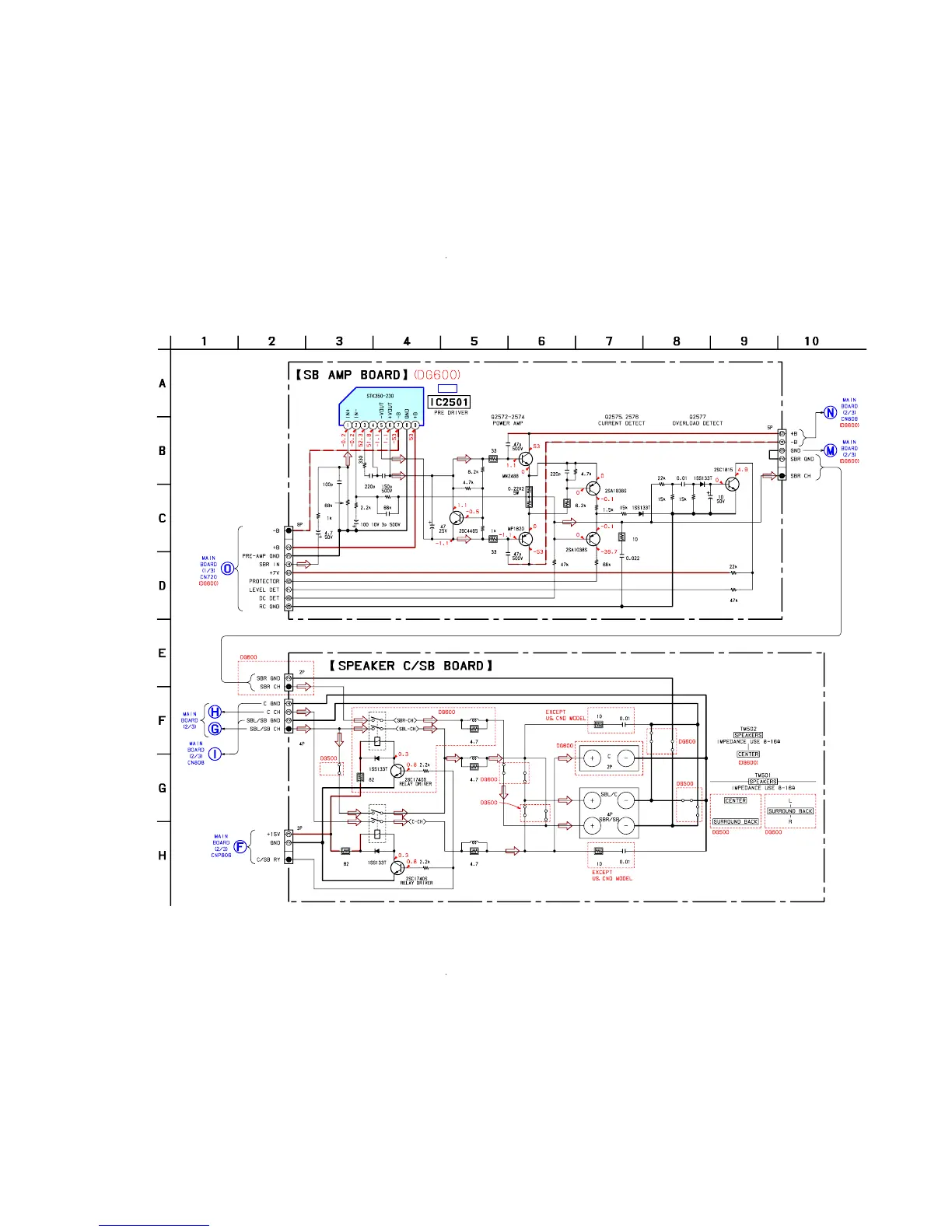
4-20. SCHEMATIC DIAGRAM — CENTER/SURROUND BACK SPEAKER SECTION — • Refer to page 51 for IC Block Diagrams.
IC B/D
D510
R531
L571
L751
Q2573
Q2574
IC2501
CN2571
C2561
R2561
R2566
R2560
R2565
C2566
R2577
R2579
R2583 D2576
D2575R2588
R2589 R2584
C2576
C2577
Q2577
C2578
TM501
C2564
JW701
JW702
JW703
JW704
JW705
JW706
JW707
JW708
R751
R2582
R2575
R578R534
Q2575
CNP504
JW700
D760
L752
CNP503
CN502
C2562
R2562
R2587
Q2572 R2574
C2571
R2572
R2571
R2576
R2586
CN2570
R2581
C2581
R2580
R2578
Q550
Q760
R753
TM502
R774
RY501
RY500
R752
RR16
CC16
RR17
CC17
C2563
C2565
C2573
C2575
Q2576
R2585
(Page 24)
(Page 24)
(Page 24)
(Page 23)
(Page 24)
(Page 24)

Table of Contents

Related product manuals