EasyManua.ls Logo

Sony TA-FA5ES - Integrated Circuit Diagrams; IC Block Diagrams

Sony TA-FA5ES
30 pages
Print Icon
To Next Page IconTo Next Page
To Next Page IconTo Next Page
To Previous Page IconTo Previous Page
To Previous Page IconTo Previous Page
Loading...
e
IC
Block
Diagrams
PRO
board
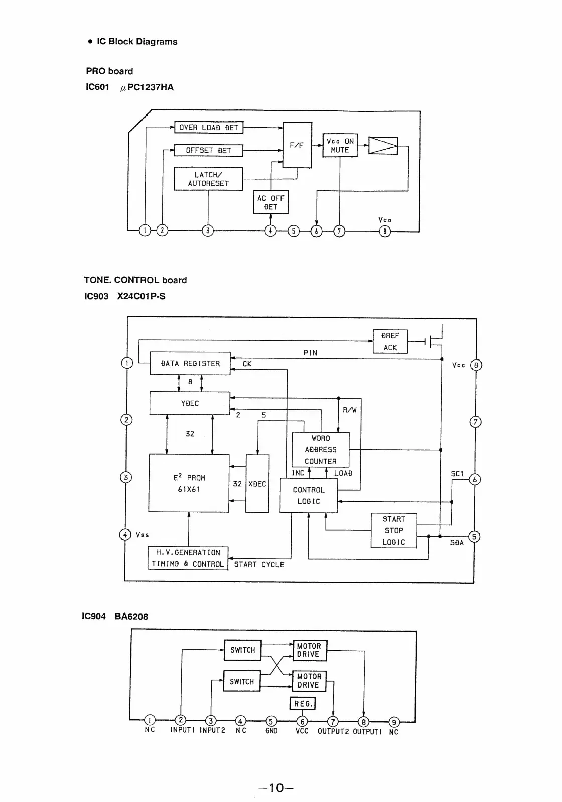
IC601
«PC1237HA
OVER
LOA
BET
OFFSET
SET
LATCH
AUTORESET
TONE.
CONTROL
board
IC903
X24C01P-S
Gp
DATA
REGISTER
ABARESS
COUNTER
E2
PROM
32
IC904
BA6208
NC
INPUT!
INPUT2
NC
GND
VCC
OUTPUT2
OUTPUT!
NC
=16—

Related product manuals