EasyManua.ls Logo

Sony TRINITRON KV-16WT1 - Page 26

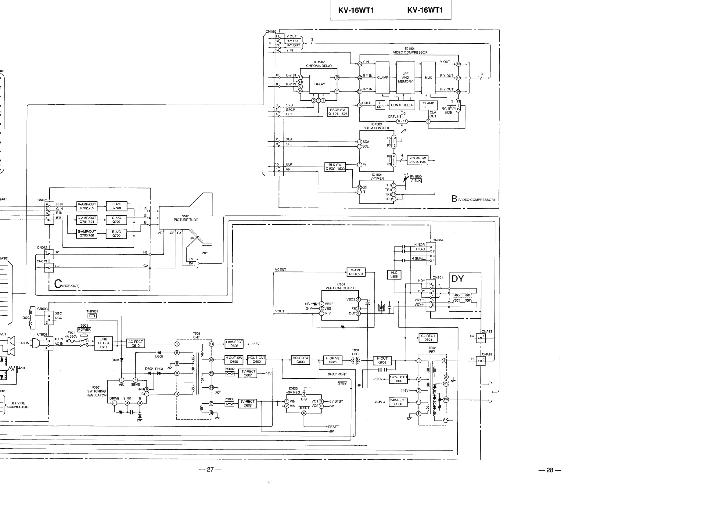
Sony TRINITRON KV-16WT1
60 pages
Print Icon
To Next Page IconTo Next Page
To Next Page IconTo Next Page
To Previous Page IconTo Previous Page
To Previous Page IconTo Previous Page
Loading...
KV-16WT1
KV-16WT1
CNISOt
te
ee
AI
ee
ee
4
1A81
v901
PICTURE
TUBE
iC
|
IC501
(RGB
OUT)
VERTICAL
OUTPUT
VOUT
F601
4A
250V
is)
IV
p—O
118V-REC
@
H
OUT-SW]__JHOUT-CNT,
HOUT-SW
H-DRIVE
Q600
Q602
Q803
Q801
Ps602
AC
RECT
D610
T801
HDT
alle
}J201
18V-RECT
607
ae
XRAY
PORT
RR
ee
ee
HP
VCENT
V-AMP
500,501
HLC
L806
1C1501
VIDEO
COMPRESSOR
1C1503
ZOOM
CONTROL
CN801
|
Hoy
DY
o
aap
33
ac,
Les
voy—|_¢5
|
100
0
|
[
vov+]
oe]
G2
RECT
G2]
4]
peos
ial
T802
H-OUT
we
Qso2
Be
H
790V-REC
+190V
ps
!
+118V
24V-RECT
+24V
D806
IC601
(4)
IC603
001
SWITCHING
Sune
REGULATOR
i
(4)
zi
PS603
~\
SERVICE
@
=
eet
5V
STBY
~
(
CONNECTOR
4
45V
-
(5)
rr
oe
PO
i,
A
J
RESET
+8V
28

Related product manuals