EasyManua.ls Logo

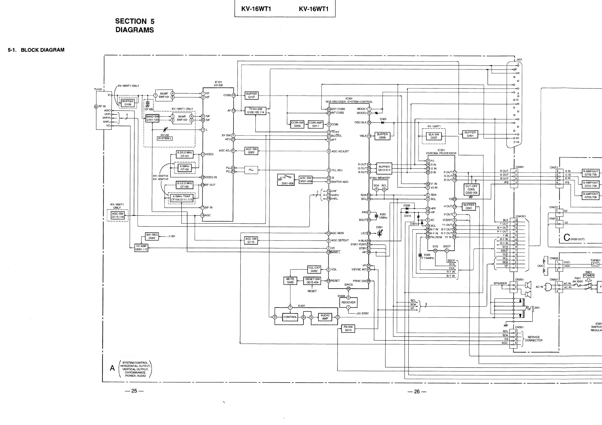
Sony TRINITRON KV-16WT1 - SCHEMATIC DIAGRAMS; Block Diagram

Sony TRINITRON KV-16WT1
60 pages
Print Icon
To Next Page IconTo Next Page
To Next Page IconTo Next Page
To Previous Page IconTo Previous Page
To Previous Page IconTo Previous Page
Loading...
KV-16WT1 KV-16WT1
SECTION
5
DIAGRAMS
5-1.
BLOCK
DIAGRAM
____e
ee.
oo
ee
eee
eae
es
oo:
-
--:_—_
_:_—_—
oO
OOO
Fe
1C101
1
KV-16WT1
ONLY
VIF/SIF
TU101
BUFFER
al
=i
107
C001
BUFFER
AGB
DECODER,
SYSTEM
CONTROL
TV/AV-SW
6)EXT
CVBS
MODE1(7)
Q100,105,114
Si
|
Q109
@3)INT
CVBS
MODE2
(6)
COIN-SWI_
|COIN-AMP
©
Qo06
Qo11
OK
BUFFER
(21)BG/DKA.
VBLK
(19)
ROUT
@4
courey_|
Burren
|_|
|]
SIT
Qo12-014
BOUT
e—
fe
et
ae
ci
BUFFER
a
TE
CNA81
CNO71
|
64
[4
|
RIN
R-AMP/OUT
GOUT
02-40
GIN
702,705
OC)
a
9)
G-AMP/OUT
sa
ia
Q701.704
KV-16WT1K
KV-16WT1R
CUT-OFF
Q300,
B-AMP/OUT
Q703,706
69
(7)
IC401
J201
>
fama
4
a
4
C60"
SWITCH
REGULA
SERVICE
CONNECTOR
'
SYSTEM
CONTROL,
A
HORIZONTAL
OUTPUT,
VERTICAL
OUTPUT,
CHROMINANCE,
POWER,
AUDIO
25
26

Related product manuals