EasyManua.ls Logo

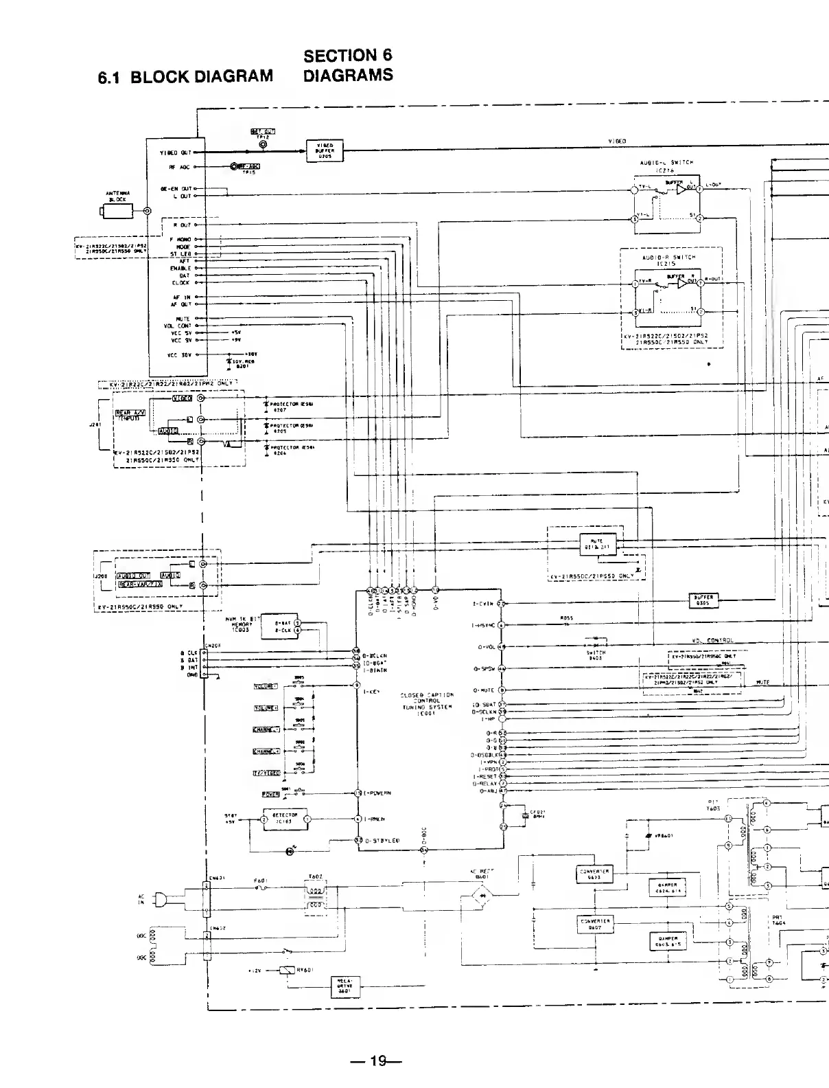
Sony TRINITRON KV-21PM2 - SECTION 6 DIAGRAMS; Block Diagram

Sony TRINITRON KV-21PM2
39 pages
Print Icon
To Next Page IconTo Next Page
To Next Page IconTo Next Page
To Previous Page IconTo Previous Page
To Previous Page IconTo Previous Page
Loading...
SECTION
6
6.1
BLOCK
DIAGRAM
DIAGRAMS

Related product manuals