EasyManua.ls Logo

Sony TRINITRON KV-29C5D - Block Diagrams; Block Diagrams (Part 1)

Sony TRINITRON KV-29C5D
57 pages
Print Icon
To Next Page IconTo Next Page
To Next Page IconTo Next Page
To Previous Page IconTo Previous Page
To Previous Page IconTo Previous Page
Loading...
CNO07
KEY
TO
H
BOARD
CN907
SIRCS
CNoo1
AGC
SCLI
SDAI
cs
CN505
|
|
|
|
|
NS
CORRECT
i
TO
|
|
|
|
VM
BOARD
CN1705
VM
OUT
CN406
AUDIO
L
TO
H
BOARD
AUDIO
R
CN906
Y/CVBS
Cc
is
xt
48)
pause
gar
yc
eee
IC003
RESET
(1)
@3)
|
|
BUFFER
!
0
Qo13
Y
(5)
-N-(
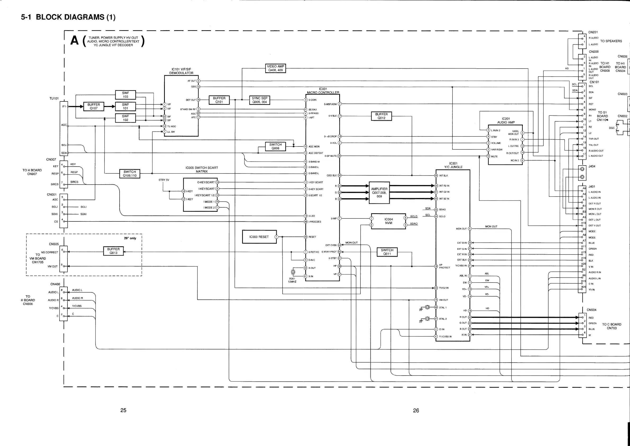
BLOCK
DIAGRAMS
(1)
|
TUNER,
POWER
SUPPLY
HV
OUT
°°
AUDIO,
MICRO
CONTROLLER/TEXT
1
|
YC
JUNGLE
VIF
DECODER
9
|
VIDEO
AMP
1C101
VIF/SIF
408,
409
|
DEMODULATOR
C001
MICRO
CONTROLLER
SYNC
SEP
2008;
004
o-msp/asw
(3)
BE/DK/I
0-RFAGC
AFT
1C201
AUDIO
AMP
(5)
Lin
2
Vani
MON
OUT
RIN/IN3
AGC
MON
SWITCH
0
Q006
AGC
DEFEAT
R
OUT/OUT
0-SP
MUTE
(10)
MUTE
NC/IN
2
0-BAND-M
1C301
Y/C
JUNGLE
1C005
SWITCH
SCART
16)
0-BAND-L
0-BAND-L
SWITCH
Q109,110
O-KEY/SCART
|-KEY-SCART
0
a
-KEY/SCART
AMPLIFIER
Q007,008,
0-KEY
SCART
(44)
|-KEY
(12)
|-KEY
SCLI
SDAI
ice
|-PROCDES.
MON
OUT
HP
PROTECT
AUDIO
L
AUDIO
R
25
26
CN201
R
AUDIO
TO
SPEAKERS
L
AUDIO
CN208
L
AUDIO
IN
RAUDIO
TO
Hi
IN
BOARD
L
AUDIO
our
CN908
R
AUDIO
OUT
CN101
SCL
CN606
TOH1
BOARD
CN604
baal
CN603
SIF
RST
MONO
TO
S1
1
BOARD
CN602
Ly
CN1106
R2
3/4
DGC
|
2
IY
TVR
OUT
TVL
OUT
R
AUDIO
OUT
L
AUDIO
OUT
J404
J401
L
AUDIO
IN
L
AUDIO
IN
DET
ROUT
MON
R
OUT
MON
L
OUT
DET
L
OUT
DET
V
OUT
MODE
MODE
BLUE
GREEN
RED
BLK
VIN
AUDIO
R
IN
AUDIO
L
IN
CIN
YVIN
RED
GREEN
TO
C
BOARD
give
CN703
IK

Related product manuals