EasyManua.ls Logo

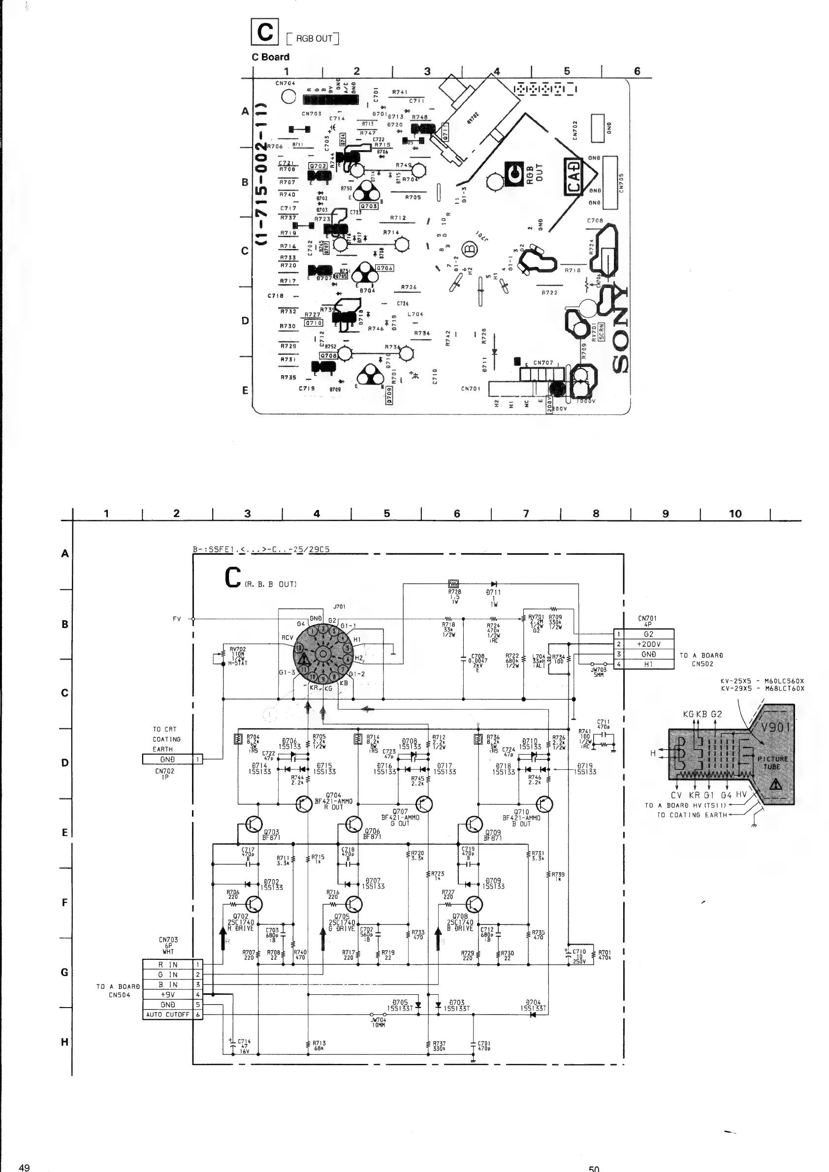
Sony TRINITRON KV-29C5D - C Board

Sony TRINITRON KV-29C5D
57 pages
Print Icon
To Next Page IconTo Next Page
To Next Page IconTo Next Page
To Previous Page IconTo Previous Page
To Previous Page IconTo Previous Page
Loading...

Related product manuals