EasyManua.ls Logo

Sony UTX-B03HR - Parts Identification

Sony UTX-B03HR
18 pages
Print Icon
To Next Page IconTo Next Page
To Next Page IconTo Next Page
To Previous Page IconTo Previous Page
To Previous Page IconTo Previous Page
Loading...
3
Features
The UTX-B03HR UHF Synthesized Transmitter is a
body-pack transmitter equipped with an SMC9-4S
connector designed for high reliability.
Reliable and proven SMC9-4S (female) interface
The unit is compatible with Sony ECM-77BC and ECM-
44BC lavalier microphones, which have a proven record
of reliable performance in broadcasting.
Digital companding
The built-in DSP enables digital companding for high-
quality audio transmissions. Switching to compander
mode allows operation in conjunction with Sony analog
wireless microphone system (UWP-D series, UWP
series, and WRR series) receivers.
LINE input equipped
MIC/LINE switching allows you to handle inputs from
various audio equipment.
Phase switching function
The phase switching function provides support for
reversed phase microphones.
Infrared communication function
When operating in conjunction with UWP-D series
receivers, the frequency and compander mode settings
configured on the receiver can be received via the infrared
communication function, allowing you to complete
channel configurations quickly.
Flexible power supply options
The unit supports three types of batteries; alkaline, nickel
metal hydride, and lithium. Power can also be supplied
via USB.
When using nickel metal hydride batteries, you can
charge the batteries while they are inside the unit by using
a commercially available USB portable power supply.
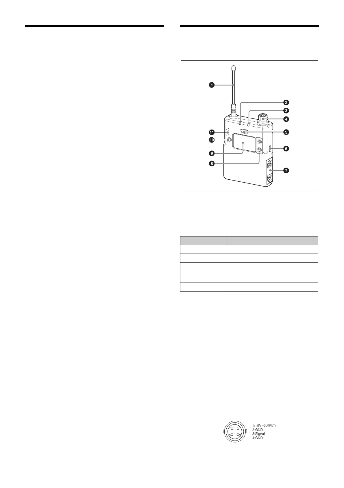
Parts Identification
a Antenna
b POWER indicator
Displays the battery level and charging status.
c AUDIO (audio input level) indicator
Turns on or off according to the audio input level as
follows.
On (red): Audio input level is too high. If the sound is
distorted, adjust the attenuation level to decrease the
audio input level (page 11).
On (green): Audio input level is appropriate.
Off: There is no audio input or the input level is too low.
Flashing (orange): Audio is muted (i.e., disabled).
d Audio input connector (SMC9-4S type
(female))
Connect to Sony ECM-77BC and ECM-44BC lavalier
microphones. You can also connect other microphone
types by using EC-1.5CF microphone cable (not
supplied).
Indicator display Status
On (green) Sufficient battery level
Flashing (green) Battery is getting low
On (orange) Charging (when nickel metal hydride
rechargeable batteries are inserted
and power is turned off)
Off Power is off or charging is complete

Related product manuals