EasyManua.ls Logo

Sony VPL-CS4 - Page 68

Sony VPL-CS4
114 pages
Print Icon
To Next Page IconTo Next Page
To Next Page IconTo Next Page
To Previous Page IconTo Previous Page
To Previous Page IconTo Previous Page
Loading...
5-2
VPL-CS4/CX4
5-2
BBBB
BB
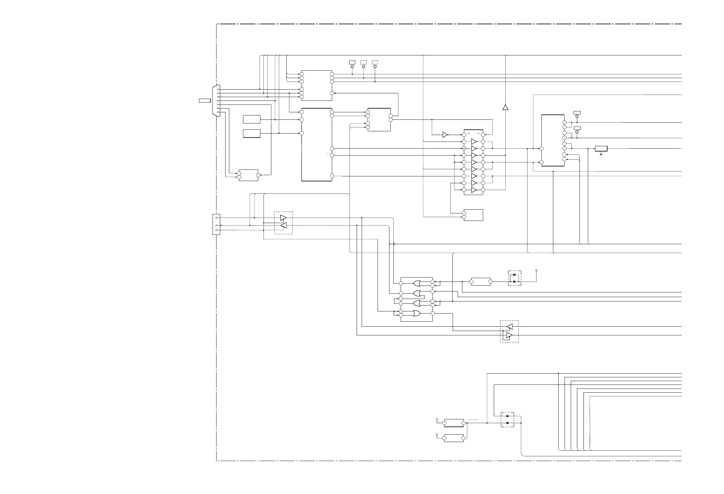
( MAIN CPU,A/D CONVERTER,SCAN CONVERTER,SDRAM,RGB INPUT,SYNC SEP )
CN101
VIDEO SW
IN2(R)11
IC102
OUT(R) 35
R
TP101
V-R
PC RGB
/OTHER
R-Y
Y
B-Y
DTV-VD
DTV-HD
DTV-B
DTV-G
DTV-R
V-G
13
V-B
16
IN2(G)
IN2(B)
7
5
2
IN1(B)
IN1(G)
IN1(R)
OUT(G) 30
OUT(B)
27
TP102
G
TP103
B
R
G
B
SW
19
H.POL
V.POL
4
6
SYNC SEPA
V IN
GREEN IN
C/H
HD 15
18
19
IC103
Q102
VD 13
1
D/A CONVERTER
IC107
SW1
DAC3 4SW02
SCL15
14 SDA
SDA
SCL
DAC4 3
5
IC101
DDC
7
6 SCL
SDA
VCLK
MONO MULTI
5
IC106
1
CLAMP
IC304
IC302
NOR GATE
OSDEN
INTERLACE
PW RESET
PIC MUTE
PW-OSD EN
RXD PW
TXD PW
6
3
2
EXT SW
CN301
TXD
RXD
RESET
OUT
5V-1
VDD
3.3V-1
IC402
2 1
OUT2 VDD
IC401
RESET
1
CPU RES
E-RES
D402
OR
INPUT-A
12
15
14
13
3
2
1
CLAMP 17
26
317
191
182
911
164
515
146
713
128
INV SW
IC105
2G
2Y
3Y
1Y
4Y
4OE
3OE
1A
2A
1G
V-VD
PC SYNC/
OTHER
INV
V-HD
V-CLP
Q
A
IC104(2/3)
(1/4,2/4)
BUFFER
LIMITER
Q103
LIMITER
8
BUFFER
IC203
IC104(1/3)
INV
VS
HS
4A12
93A
VHS
SYNC SW
Q202
TP202
VSI
HSI
MS/
CE
VS
VVS
1
7
6
8
3
11
13
10
2
5
TP201
HS
1
4
3
2
5
6
P-TX
P-EXT SW
TDX
SCL,SDA
RDX
PICMUTE
RESET
VS
HS
VVS,VHS
MS/CE
P-RX
12
11
3
2
6
10
5
9
8
1
13
IC304
(3/4,4/4)
BUFFER
13
10
12
11
8
9
RES
MD2
MD1
RXD
FWR
TXD
D301
PROTECT
3.3V-2
RESET
VDDOUT
IC301
1 2
15K-CS
4

Other manuals for Sony VPL-CS4

Related product manuals