EasyManua.ls Logo

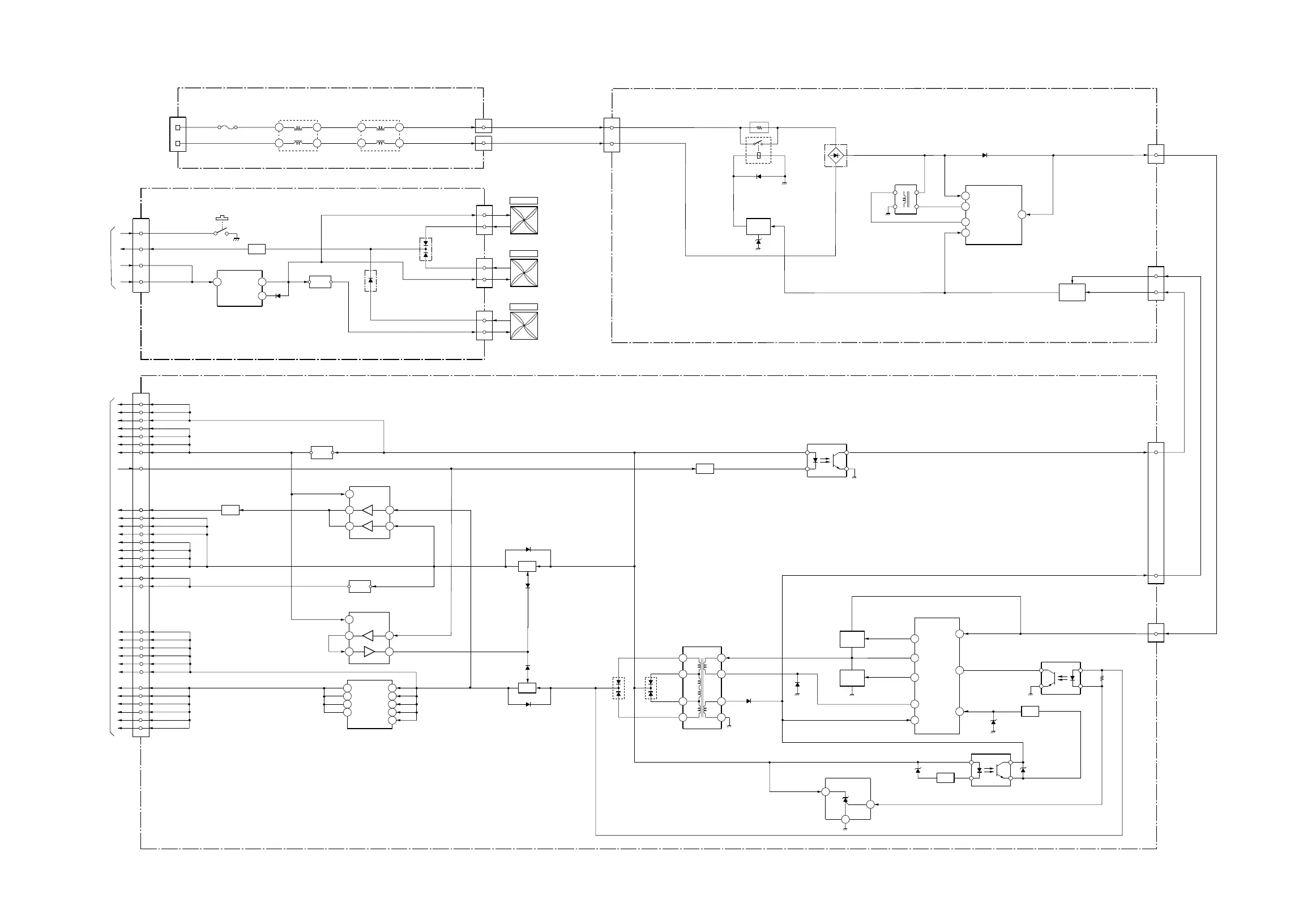
Sony VPL-CS4 - F Block; GA Block; GB Block; GC Block

Sony VPL-CS4
114 pages
Print Icon
To Next Page IconTo Next Page
To Next Page IconTo Next Page
To Previous Page IconTo Previous Page
To Previous Page IconTo Previous Page
Loading...
5-9
VPL-CS4/CX4
5-9
F, GA, GB, GCF, GA, GB, GC
FBlock
GA Block
GB Block
GC Block
B2
A2
B27
A26
A3
B32
A32
A27
B26
GB
( DC-DC CONVERTER,RECTIFIER,CONVERTER CONTROL )
GC
( FAN DRIVER,FAN PROTECTOR )
SUB+6V
SUB+6V
SUB+6V
SUB+5V
SUB+5V
SUB+5V
POWER CONT
SUB+5V
POWER PROT
IC3304
5V REG
B15
A18
B14
A15
B11
A11
A14
A12
AUDIO+B
AUDIO+B
AUDIO+B
+6V
+6V
+6V
+6V
D+5V
A20
B20
A7
B7
B5
A5
B18
B6
A6
D+5V
+17V
+17V
+17V
+17V
D+3.3V
+17V
+17V
D+3.3V
A22
B22
A21
B21
D+3.3V
D+3.3V
D+3.3V
D+3.3V
O
VCC
I
IC3303
5V REG
OI
1
COMP
IC3306
8
5
3
7
+
+
+17V
SUB+5V
6V
SW
Q3201
20VDD
VDD
18
VOUT
11
DC-DC CONVERTER
IC3711
13 VOUT
21VDD14 VOUT
6VCC
19VDD12 VOUT
SW
Q3107
D3119
PROT
SW
Q3109
D3121
PROT
DELAY
IC3307
VCC
7
8
1
5
2
+
+
POWER CONT
SUB+5V
D3118
D3116
T3100
SRT
10
7
9
1
2
6
4
5
IC3102
SHUNT REG
8
6
REF
K
1
PWM
CONT
PWM
CONT
Q3102
Q3103
F/B
CONV CONT
IC3100
VSENSE
VS
VD
VG(H)
15
VG(L)12
OCP9
VC18
2
18
1
16
ISOLATER
PH3102
2
1
3
4
ISOLATER
PH3101
3
4
2
1
BUFF
Q3104
CLAMP
D3108
PROT
Q3106
CLAMP
D3113
1
POWER ON
VCC
DC(+)
+17V
CN3201
CN3202
F1101
6.3A
F
( AC INPUT,AC FILTER )
AC INLET
AC(L)
AC(N)
AC(L)
AC(N)
LFT1
L1101
2
1
1
1
4
2
3
LFT2
L1102
1
4
2
3
1
1
CN2102
3
1
RELAY
DRIVE
Q2101
D2103
PROT
BIAS
D2105
IC2101
L2101
PFC CONT
AC SENSE
AC SENSE
L SENS
VCC
CATHODE
10
9
D2101
RECT
9V
REG
Q3601
CN2104
CN2003
1
2
DC(+)
VCC
POWER ON
D2102
RECT
CN1102
CN1103
GA
( REGULATOR,PFC CONTROL,RELAY DRIVE )
R2101
RY2101
D3110
+17V
RECT
D3112
+6V RECT
DC3109
VCC REG
C BOARD
TO
CN1101
C BOARD
TO
CN107
3
1
5
ISOLATER
PH3100
2
1
3
4
SW
Q3110
POWER CONT
D3104
D3103
PROT
1
2
5
6
SW
Q4102
Q4101
S4101
CN4203
CN3304
CN1101
D4102
DC-DC CONVERTER
IC4101
8VSW
BST
2
1
VIN
IC4102
REG
D4101
RECT
IO
CN4104
2
1
CN4102
D4104
2
1
CN4101 FAN 60
1
2
LANP COVER
FAN PROT
+17V
+17V
FAN PROT
FAN+B2
FAN PROT
FAN+B2
FAN PROT
FAN+B1
FAN 50
FAN 1
1
2

Other manuals for Sony VPL-CS4

Related product manuals