EasyManua.ls Logo

Sony WM-D6 - Block Diagram

Sony WM-D6
32 pages
Print Icon
To Next Page IconTo Next Page
To Next Page IconTo Next Page
To Previous Page IconTo Previous Page
To Previous Page IconTo Previous Page
Loading...
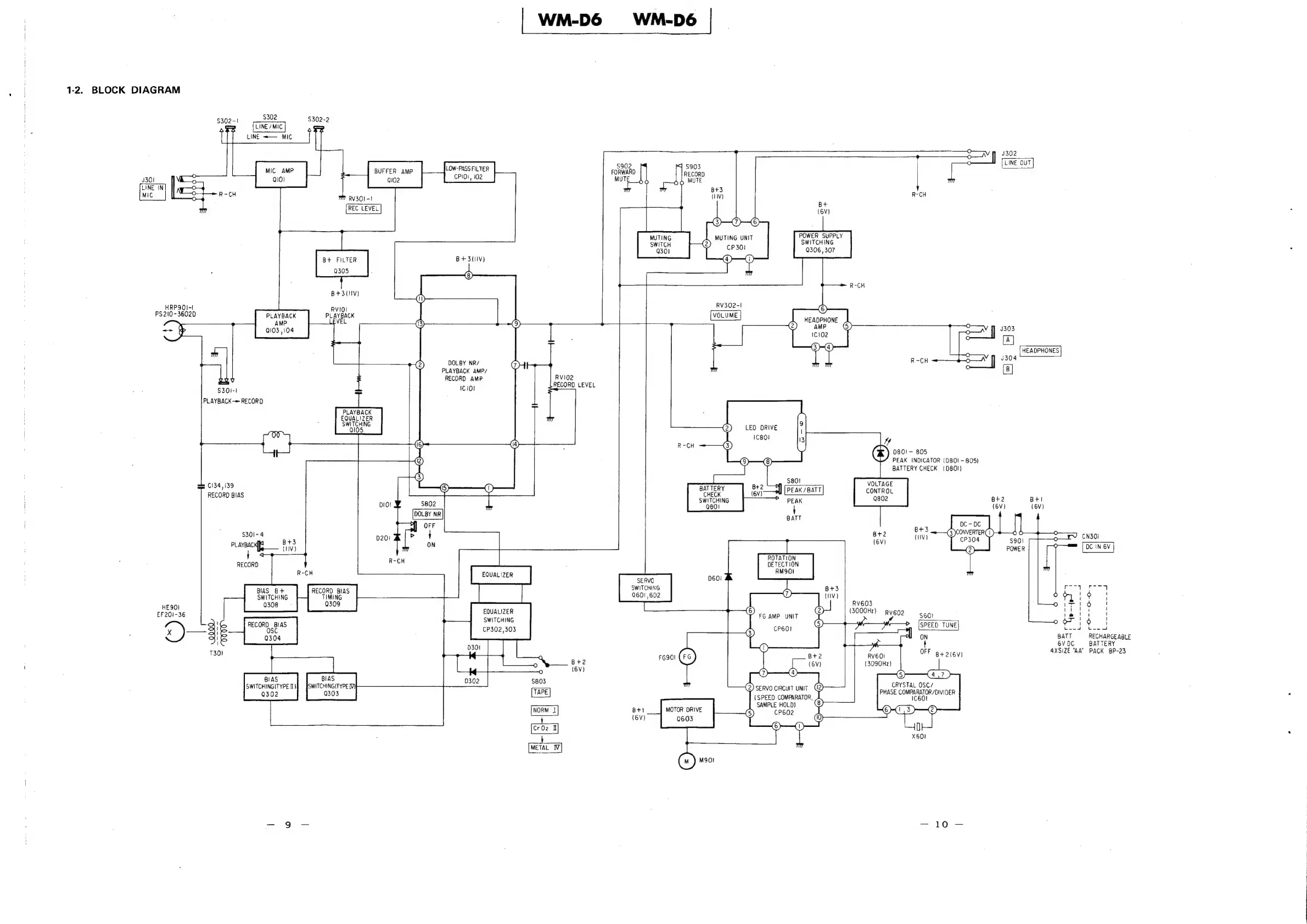
1-2.
BLOCK
DIAGRAM
$302-1
$302
$302-2
LINE
-—
MiC
WM-D6
WM-D6
O-
RV]
J302
|
$902
4
LINE
OUT
MIC
AMP
BUFFER
AMP
LOW-PASS
FILTER
BRA
oe
1301
al0!
a102
CPIOI,
102
muTe__d
4
MUTE
LINE
IN
ds
[me
RV301-1
(HV)
R-CH
Bt
REC
LEVEL
im
ae
MUTI
MUTING
UNIT
POWER
SUPPLY
SwiTeR
std
SWITCHING
0301
306,307
Bt
FILTER
B+3{IIV)
9305
©)
R-CH
B+3IIIV)
(i)
HRPODIAt
RVIO!
RV302-I
PS210-3602D
VOLUM
es
PLE
@)
(3)
[VOLUME
|
HEADPHONE
=
=
Q103
,104
I
AMP
TAV
ff
1303
DOLBY
NR/
@
PLAYBACK
AMP/
@
230
RECORD
AMP
5301-1
Ici01
PLAYBACK-~
RECORD
PLAYBACK
EQUALIZER
SWITCHING
2105
i
OO
(6)
(4)
(2)
(3)
C134,
139
(5)
()
RECORD
BIAS
ae
Dio!
$802
DOLBY
NR
OFF
Nm
po
xi>
aie
-
(HV)
ON
R-CH
RECORD
BIAS
B+
RECORD
BIAS
SWITCHING
TIMING
HE9O!
0308
0309
EF201-36
L
RECORD
BIAS
x
—_3
Osc
0304
BIAS
BIAS
CP302,303
wo
|]
0302
SWITCHINGITYPE
1)
Q302
ISWITCHING(TYPE
IV)
Q303
EQUALIZER
SWITCHING
HEADPHONES
R-CH
J
J304
[2]
Rvlo2
|
RECORD
LEVEL
LED
DRIVE
1C80)
4
&)
080!
805
PEAK
INDICATOR
(D801
-
805)
BATTERY
CHECK
{D801}
$801
BATTERY
7
aTTER
PEAK/BATT
SWITCHING
PEAK
0801
|
BATT
+
pte
inv)
(6V)
ROTATION
DETECTION
RM9OI
SERVO
DEO!
SWITCHING.
B+3
r--4
601,602
i
RV603
(3000H
FG
AMP.
UNIT
7)
RV602
601
ie
O
oe
SPEED
TUNE
penal
ON
BATT
'
6V
DC
AXSIZE
"AAT
Q
FG90I
RV6O!
OFF
B4216y)
O
Bre
(3090Hz)
5
(6V)
$803
CRYSTAL
OSC/
TAPE
PHASE
COMPARATOR
/DIVIDER
(SPEED
COMPARATOR,
Ic60!
MPLE
HOL|
NORM
1
B+!
MOTOR
DRIVE
ire
1
(6V)
0603
Croz
O
4
METAL
IV
CN30I
[oc
év]
{N
6V
9
|
o
|
é
Li.
RECHARGEABLE
BATTERY
PACK
BP-23

Related product manuals