EasyManua.ls Logo

Sony ZSS2IPW - Schematic Diagram - Power Supply Section

Sony ZSS2IPW
54 pages
Print Icon
To Next Page IconTo Next Page
To Next Page IconTo Next Page
To Previous Page IconTo Previous Page
To Previous Page IconTo Previous Page
Loading...
33 33
ZS-S2iP
ZS-S2iP
J901
T901
F902
FH901FH902
C901
D901
D902
C902
D904
C903
D903
C904
C906
R910
CN901
CN902
IC901
CN906
R912 R917
C913
C914C917
C918
C905
CN905
JW908
R905
R906 R907
C912
CN903
C915
R908
Q902
D909
Q901
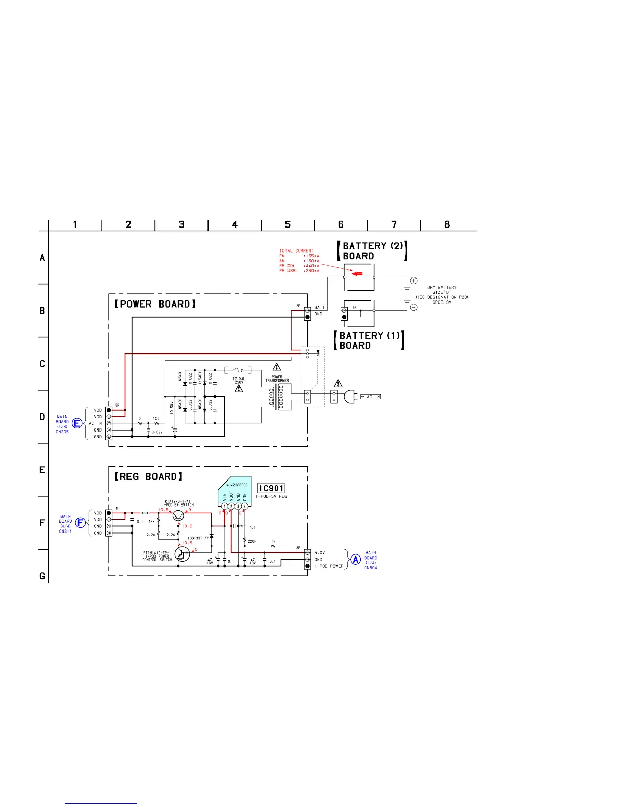
5-15. SCHEMATIC DIAGRAM — POWER SUPPLY SECTION —
(Page 24)
(Page 27)
(Page 27)

Related product manuals