EasyManua.ls Logo

Sound Devices usbpre - USBPre Architecture Overview

Sound Devices usbpre
26 pages
Print Icon
To Next Page IconTo Next Page
To Next Page IconTo Next Page
To Previous Page IconTo Previous Page
To Previous Page IconTo Previous Page
Loading...
User Guide and
Technical Information
page 22SOUND DEVICES, LLC
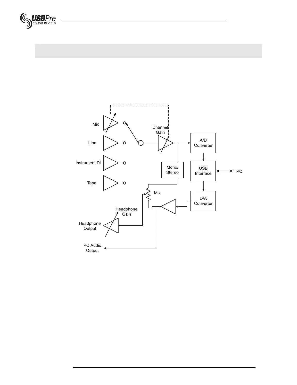
The USBPre is a digital system made up of many
components. USBPre can be thought of as a com-
bination of stand-alone products - a stereo micro-
phone preamplifier, A/D converter, S/PDIF format
converter, D/A converter, and headphone amplifier
in a single box. The convenience of having all of
these components in a single, compact product
powered from the computer is obvious. The block
diagram below shows one analog input of the
USBPre.
USBPre Architecture Overview

Related product manuals