EasyManua.ls Logo

Soundstream MC-300 - Wiring Diagram

Soundstream MC-300
7 pages
Print Icon
To Next Page IconTo Next Page
To Next Page IconTo Next Page
To Previous Page IconTo Previous Page
To Previous Page IconTo Previous Page
Loading...
TUNEVDECX
-
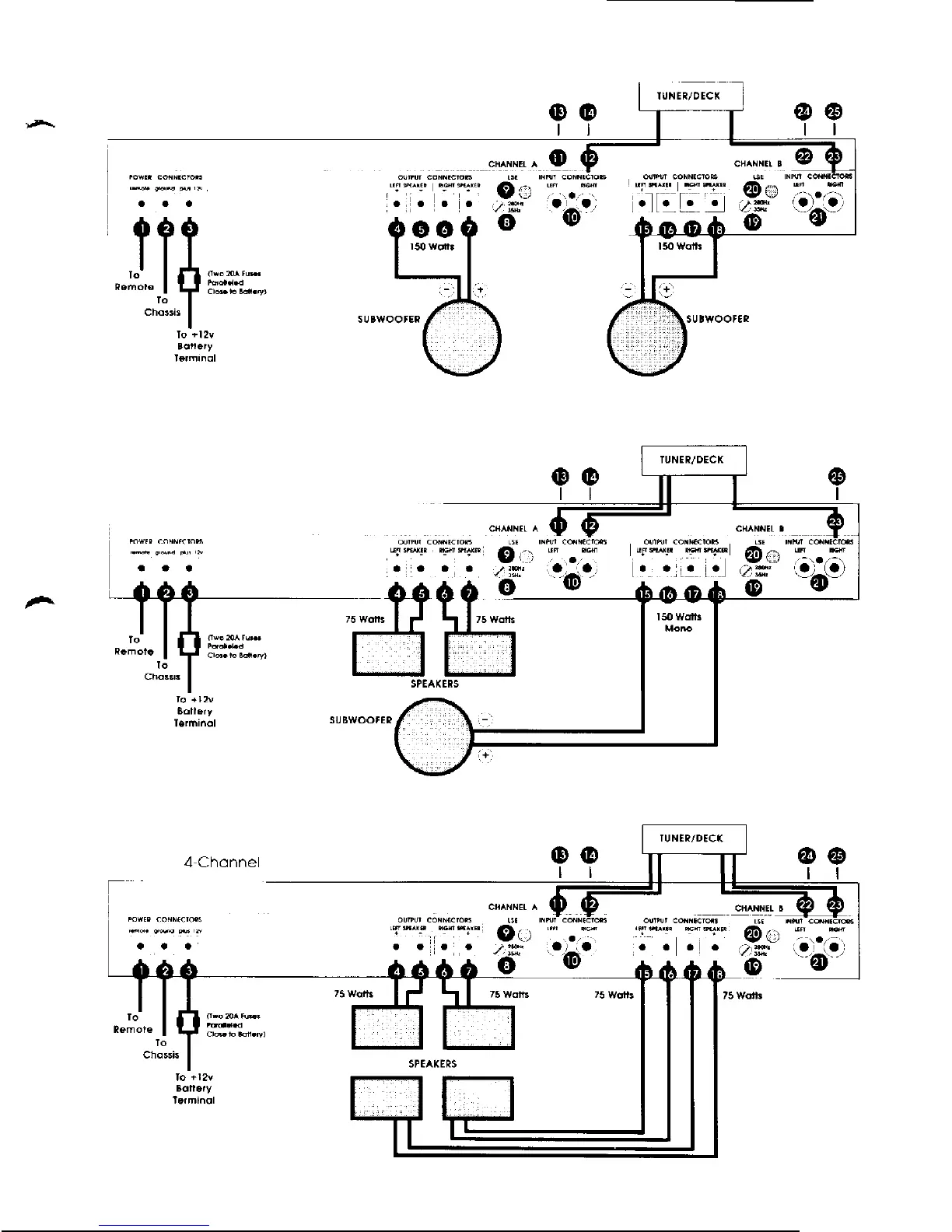
Figure
1
Z-Channel Operation
??
w
??
Figure 2
3 Channel Operation
Figure 3
4-Channel
Operation

Related product manuals