EasyManua.ls Logo

Soyal AR-331 - Wiring Diagram

Soyal AR-331
8 pages
Print Icon
To Next Page IconTo Next Page
To Next Page IconTo Next Page
To Previous Page IconTo Previous Page
To Previous Page IconTo Previous Page
Loading...
V140707
WG 1
WG 0
BZ
GLED
RLED
12V
GND
1
2
3
4
5
6
7
8
1
2
3
4
5
WG 1
WG 0
BZ
GLED
RLED
GND
12V
12V
GND
P2
P1
B-
A+
B-
A+
B-
A+
Host
CH1
CH2
1
2
1
2
1
2
1
2
1
2
GND
12V
A+
B-
B-
A+
B-
A+
B-
A+
B-
A+
B-
A+
P3
P3
P3
P3
P3
Node 1
Node 9
Node 8
Node 16
EXIT
1
2
3
4
5
6
7
8
1 2 3
N.C.
N.O.
COM
CTL
12V
GND
PB
12V
GND
12V
GND
12V
GND
ARM
P1
P5
AR-721RB
N.C.
N.O.
COM
CTL
1
2
3
4
5
6
7
8
12V
Door Contact
ALM
12V
GND
12V
GND
12V
GND
N.C.
12V
GND
P1
EXIT
1
2
3
4
5
6
7
8
N.C.
COM
PB
12V
GND
12V
GND
12V
GND
12V
GND
N.O.
P1
EXIT
1
2
3
4
5
6
7
8
12V
GND
12V
GND
12V
GND
N.O.
N.O.
COM
PB
12V
GND
P1
N.O.
12V
GND
EXIT
N.C.
N.O.
COM
CTL
12V
10
9
8
7
6
5
4
3
2
1
P7
N.O.
12V
GND
Lock
PB
12V
GND
N.C.
N.O.
COM
CTL
12V
10
9
8
7
6
5
5
4
4
3
3
2
2
1
1
1
1
1
1
1
N.C.
N.O.
COM
CTL
12V
P7
N.C.
Door
Contact
ALM
COM
N.O.
12V
GND
5
4
3
2
1
1
1
1
1
1
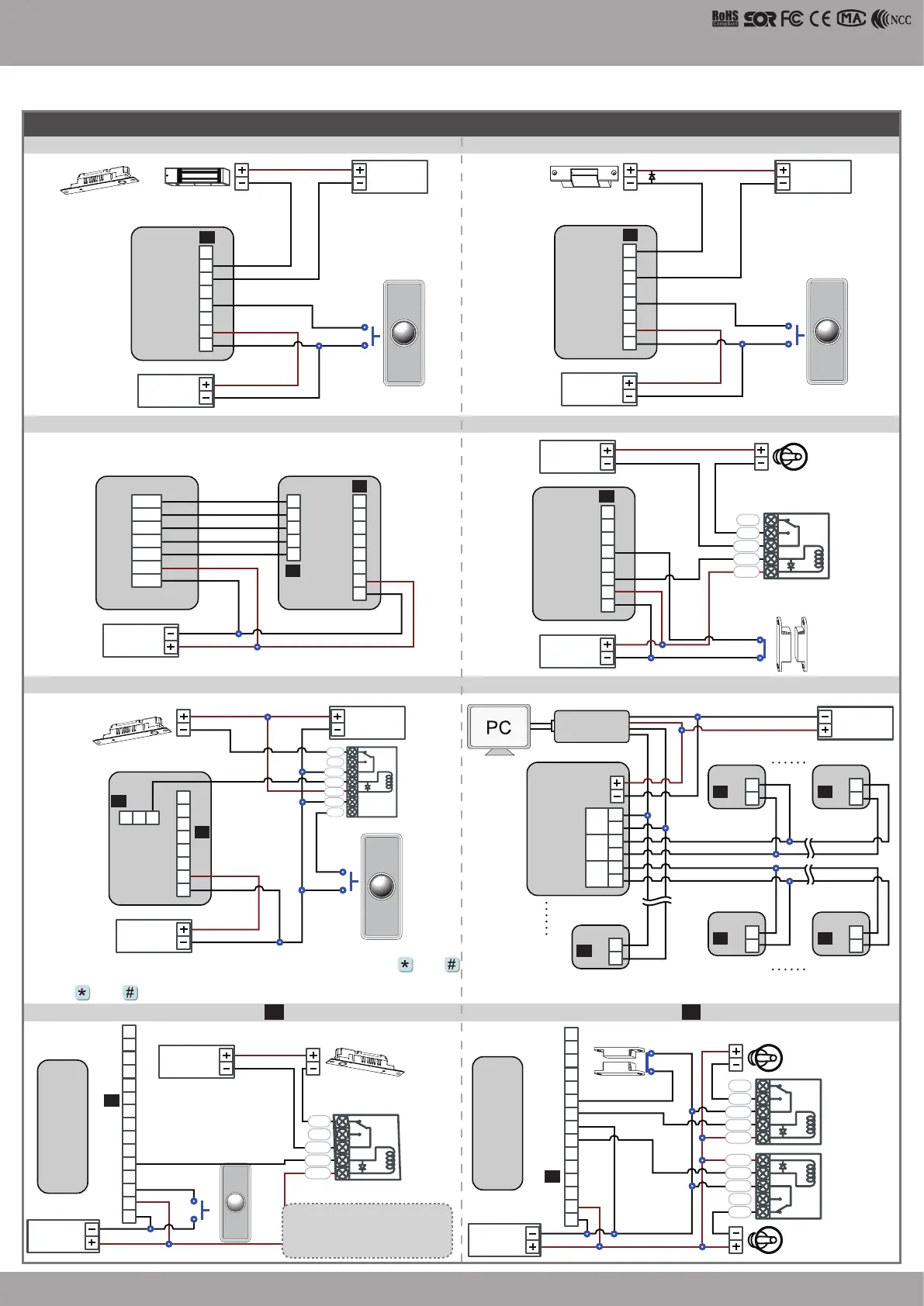
AR-331 (H)
AR-331 (H)
Access Controller
Touch-panel Metal Housing / Illuminated Touch-panel
Strengthen security with AR-721RB
Connect to Access Control for Connect to arming tools for
Connect to Reader
Alarm
Alarm
Tamper Alarm
Controller Reader
Controller
Controller
AR-716E
Controller
Controller
Controller
Controller
Controller
Converter
Node ID 001
Node ID 254
Door Contact
Door Contact
Relay Outpot Module
Relay Outpot Module
Alarm Relay
Tamper Relay
POWER
12VDC
POWER
12VDC
POWER
12VDC
POWER
12VDC
POWER
12VDC
POWER
12VDC
POWER
12VDC
POWER
12VDC
POWER
12VDC
Connect to Door Sensor
Connect to Networking
Request To Exit
Request To Exit
Electric Bolt
Electric Bolt
1.Enable the security trigger signal: Please refer to the 34 DDD
2.Disable "Exit by RTE Button". (Please refer to the
20 DDD of function default value.)
Connect to Magnetic Lock or Electric Bolt
Electric Bolt
or
Magnetic Lock
Controller
Request To Exit
POWER
12VDC
POWER
12VDC
Connect to Electric Strike
Wiring Diagram
Electric Strike
Controller
Request To Exit
POWER
12VDC
POWER
12VDC
If use the AR-721RB,
please refer to the top of
the wiring diagram.
P7 P7

Related product manuals