EasyManua.ls Logo

Speck pumpen V 155 - Page 35

Default Icon
Print Icon
To Next Page IconTo Next Page
To Next Page IconTo Next Page
To Previous Page IconTo Previous Page
To Previous Page IconTo Previous Page
Loading...
MODE D'EMPLOI
36
D
F
A
S
SPECK
u
e
p
u
S
v
S
l
S
u
D
a
u
U
m
B
u
A
u
e
u
B
l
B
r
F
v
F
l
F
u
D
u
e
u
L
D
F
A
S
SPECK
u
e
u
S
h
u
G
v
S
l
G
l
S
u
D
a
u
U
l
U
m
B
u
A
u
e
u
B
l
B
r
F
v
F
l
F
U
u
D
p
u
L
u
e
u
V
u
V
F
l
F
v
F1
r
F
N
mm
Bt
F3
F2
r r
U
F
F
l
v
F
B
D
F
A
S
SPECK
U
T
g
v
u
S
S
D
F
A
S
SPECK
A
B/U
U
K
u
u
a
l
v
r
w
p
r
v
l
K
K
K
B
B
F
F
SN 426
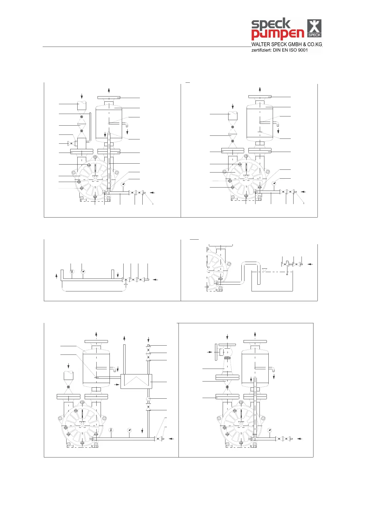
Fig. 6: Emplacement du raccord d'eau de fonctionnement
Fig. 2b: Temp. de service régulée par thermostat Fig. 4b: Réservoir avec robinet à flotteur
Fig.5: Fonctionnement avec éjecteur à gaz
Fig. 3: Refroidiss. par circul. en circuit fermé
Fig. 2a: Refroidiss. par circul. en circuit ouvert
Fig. 4a: Refroidissement en circuit ouvert

Table of Contents

Other manuals for Speck pumpen V 155

Related product manuals