EasyManua.ls Logo

Speck pumpen V 155 - Page 8

Default Icon
Print Icon
To Next Page IconTo Next Page
To Next Page IconTo Next Page
To Previous Page IconTo Previous Page
To Previous Page IconTo Previous Page
Loading...
BETRIEBSANLEITUNG
8
D
F
A
S
SPECK
u
e
p
u
S
v
S
l
S
u
D
a
u
U
m
B
u
A
u
e
u
B
l
B
r
F
v
F
l
F
u
D
u
e
u
L
D
F
A
S
SPECK
u
e
u
S
h
u
G
v
S
l
G
l
S
u
D
a
u
U
l
U
m
B
u
A
u
e
u
B
l
B
r
F
v
F
l
F
U
u
D
p
u
L
u
e
u
V
u
V
F
l
F
v
F1
r
F
N
mm
Bt
F3
F2
r r
U
F
F
l
v
F
B
D
F
A
S
SPECK
U
T
g
v
u
S
S
D
F
A
S
SPECK
A
B/U
U
K
u
u
a
l
v
r
w
p
r
v
l
K
K
K
B
B
F
F
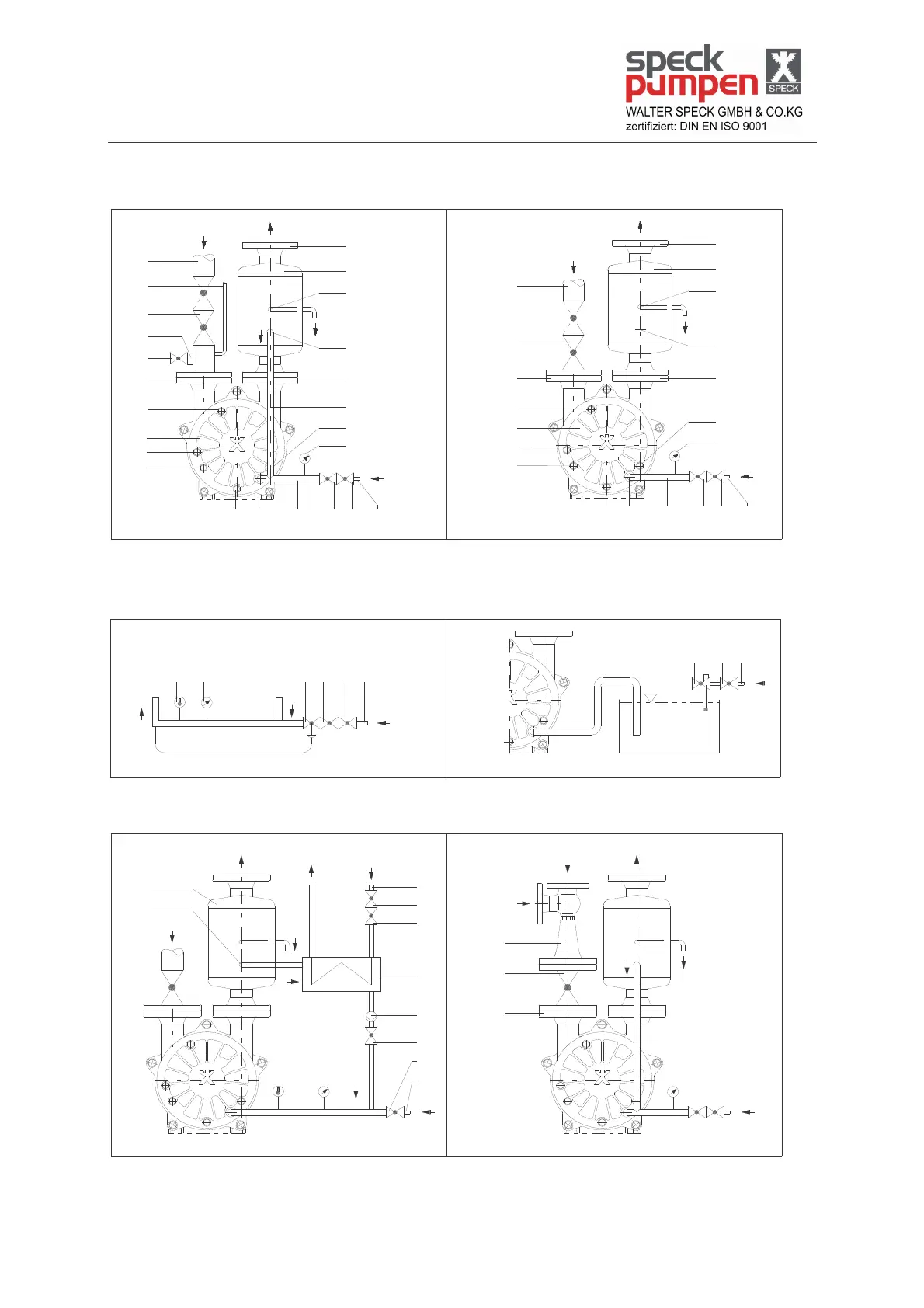
SN 426
Abb.2a: Offene Umlaufkühlung Abb.4a: Durchlaufkühlung
Abb. 2b:
Betriebstemperatur mit Thermostat
geregelt.
Abb.4b: Behälter mit Schwimmerventil
Abb.3: geschlossene Umlaufkühlung Abb.5: Betrieb mit Gasstrahler

Table of Contents

Other manuals for Speck pumpen V 155

Related product manuals