EasyManua.ls Logo

Spellman MPD2.5P10/24 - Page 11

Spellman MPD2.5P10/24
29 pages
Print Icon
To Next Page IconTo Next Page
To Next Page IconTo Next Page
To Previous Page IconTo Previous Page
To Previous Page IconTo Previous Page
Loading...
Spellman High Voltage Electronics Limited - Company Confidential
This document must not be copied or distributed without express permission from Spellman High Voltage Electronics Limited
81408-4r2 MPD Series Installation and User Guide
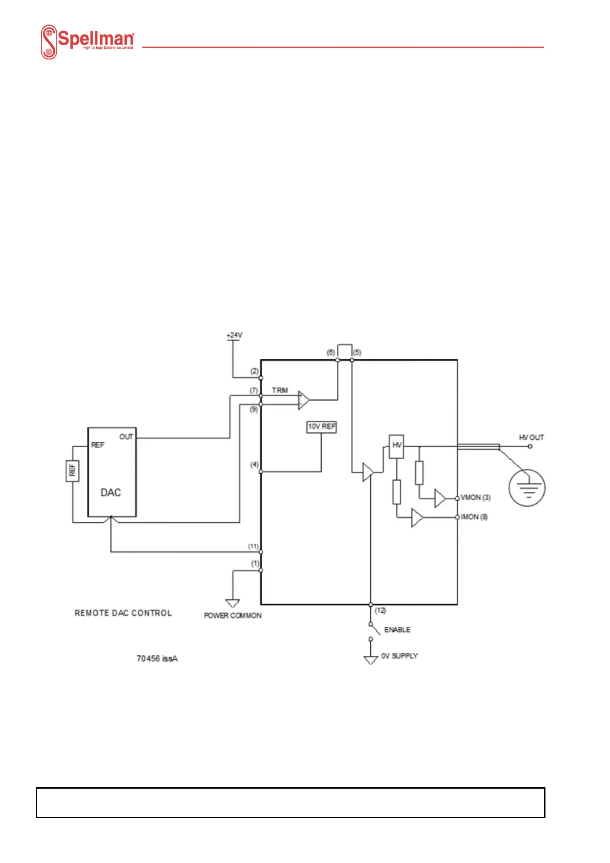
4.1.2 Remote DAC Control
The differential input allows the voltage programming circuit to be remote from the power
supply. It prevents voltage drops in the ground connection from affecting the programming
signal. However, if there are voltage drops in the ground connection, the DAC should be
provided with its own reference.
24V Power input on Pin 2.
Power Common on Pin 1.
0 to 10V voltage control signal to Pin 7.
Signal ground reference for 0 to 10V control signal. Connected to signal ground for 0 to
10V voltage control, also connected to Pin 9 and Pin 11.
Link Pin 5 to Pin 6.
Connect Enable Pin 12 to ground to enable HV output.
Voltage monitor output is on Pin 3.
Current monitor output is on Pin 8.

Related product manuals