EasyManua.ls Logo

Spellman MPD2.5P10/24 - Page 12

Spellman MPD2.5P10/24
29 pages
Print Icon
To Next Page IconTo Next Page
To Next Page IconTo Next Page
To Previous Page IconTo Previous Page
To Previous Page IconTo Previous Page
Loading...
Spellman High Voltage Electronics Limited - Company Confidential
This document must not be copied or distributed without express permission from Spellman High Voltage Electronics Limited
81408-4r2 MPD Series Installation and User Guide
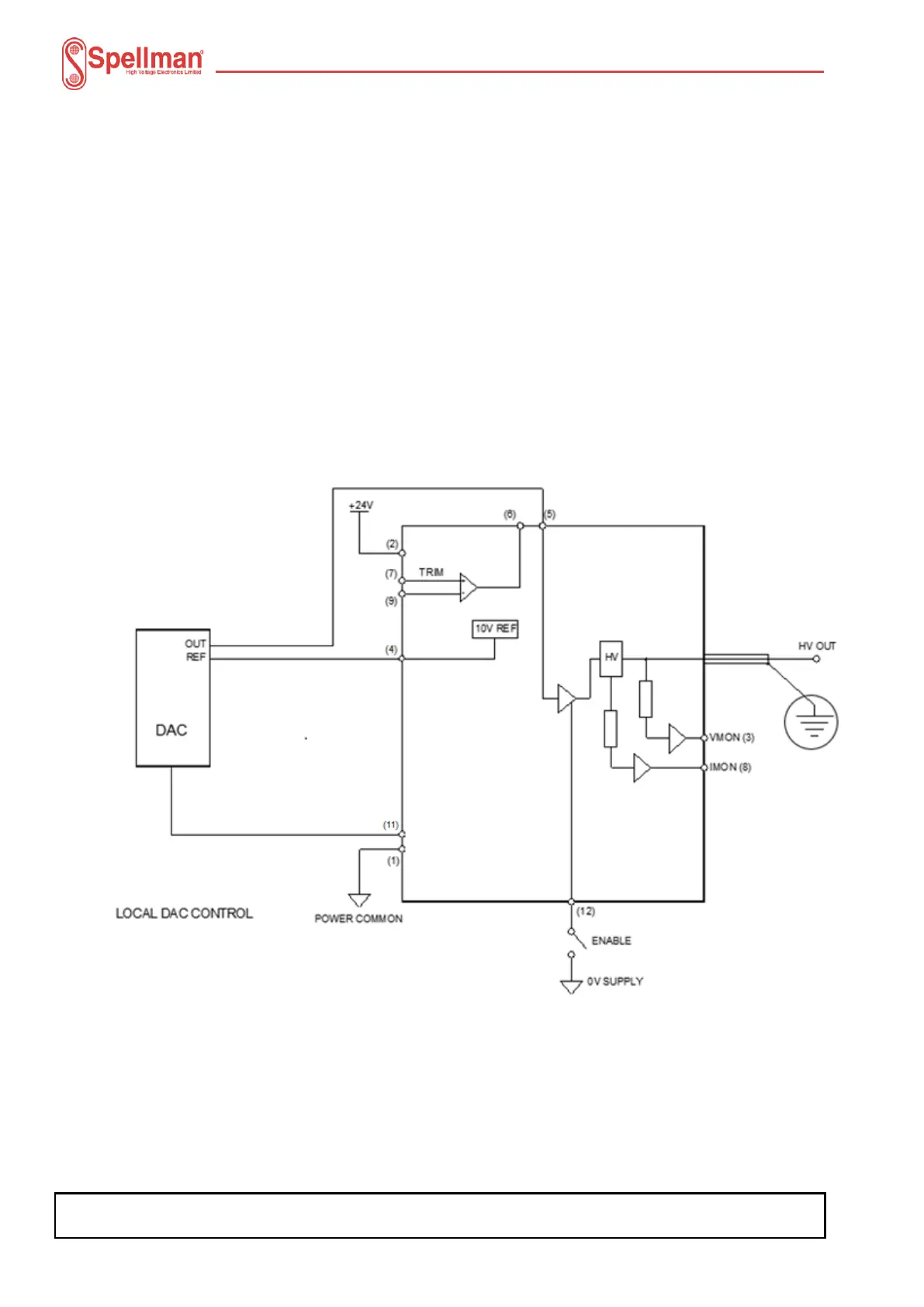
4.1.3 Local DAC Control
It is not necessary to use the differential input when the voltage control circuit is close to the
power supply, however it is important to connect all grounds at Pin 1 of the PSU to prevent
voltage drops in the ground circuit from affecting the programming signal. Take care to
avoid ground loops.
24V Power input on Pin 2.
Power Common on Pin 1.
DAC output to Pin 5.
DAC ground to Pin 11.
Connect Pin 4 to the DAC reference input.
Connect Enable Pin 12 to ground to enable HV output.
Voltage monitor output is on Pin 3.
Current monitor output is on Pin 8.

Related product manuals