EasyManua.ls Logo

Spellman MPD2.5P10/24 - Page 15

Spellman MPD2.5P10/24
29 pages
Print Icon
To Next Page IconTo Next Page
To Next Page IconTo Next Page
To Previous Page IconTo Previous Page
To Previous Page IconTo Previous Page
Loading...
Spellman High Voltage Electronics Limited - Company Confidential
This document must not be copied or distributed without express permission from Spellman High Voltage Electronics Limited
81408-4r2 MPD Series Installation and User Guide
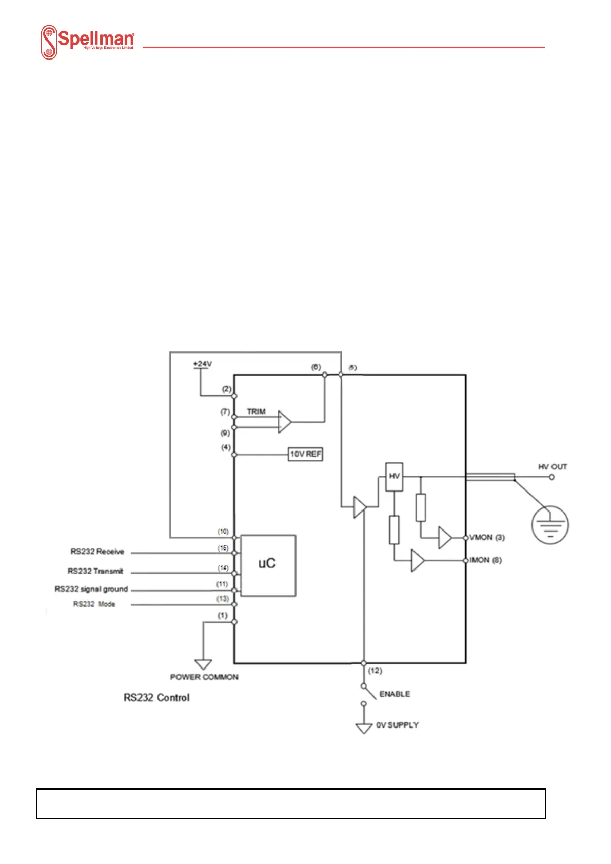
4.2.1 RS232 Connection
The unit has RS232 communication facilities available via pins 14 and 15 of the 15 way ‘D
connector. For the protocol used, refer to protocol document 48113-21, which can be
provided on request.
The unit may be controlled digitally as follows: -
24V Power input on Pin 2.
Power Common on Pin 1.
Select Mode RS232 on Pin 13 by leaving open circuit
RS232 signal ground on pin 11
RS232 transmit on Pin 14 connect to Rx pin on PC
RS232 receive on Pin 15 connect to Tx pin on PC
Connect Enable Pin 12 to ground to enable HV output. This is independent of the
firmware/communications interface and can be used to shut down the HV output.
Connect Pin 5 to Pin 10.

Related product manuals