EasyManua.ls Logo

SPRIANO SST70 - Page 37

Default Icon
52 pages
Print Icon
To Next Page IconTo Next Page
To Next Page IconTo Next Page
To Previous Page IconTo Previous Page
To Previous Page IconTo Previous Page
Loading...
OPERATING MANUAL
MN-SST70
ED-19-01
SPRIANO® TECHNOLOGIES - www.spriano.it spriano@terranova-instruments.com
a TERRANOVA® Srl brand - www.terranova-instruments.com - VAT IT07848810151
Factory & Sales: Via Gramsci 1 26827 Terranova dei Passerini (LO) Italy
Head Office: Via Rosso Medardo 16 20159 Milano Italy Ph: +39 0377 919119 Fax: +39 0377 855720
Pag.37/52
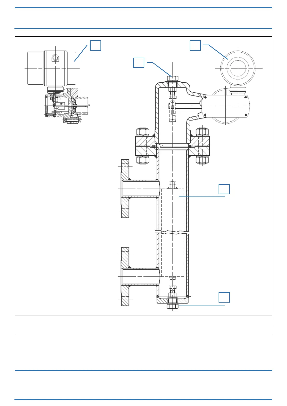
Figure 23: spare parts
4
5
5
4
6

Related product manuals