EasyManua.ls Logo

SPX HPD Series - Electrical Schematic - 575 VAC, 3 Phase

SPX HPD Series
48 pages
Print Icon
To Next Page IconTo Next Page
To Next Page IconTo Next Page
To Previous Page IconTo Previous Page
To Previous Page IconTo Previous Page
Loading...
37
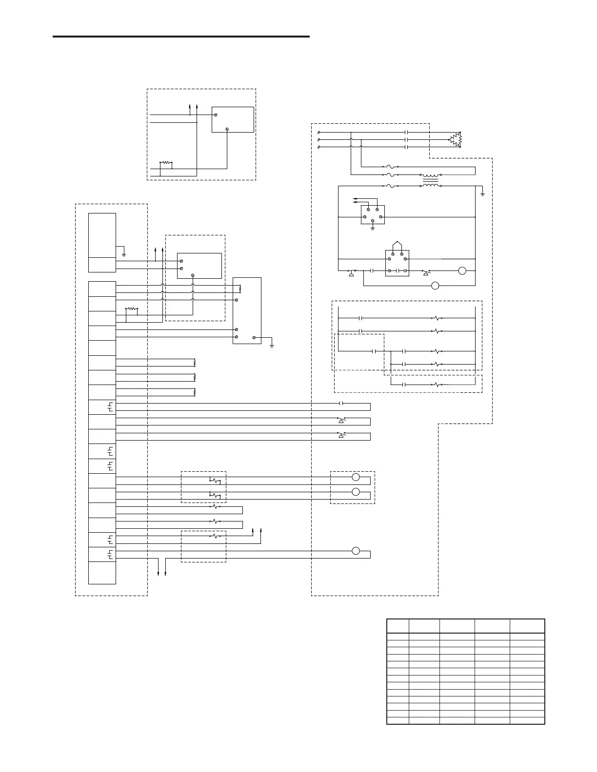
Electrical Schematic – 575VAC, 3 phase
(Contact factory to request certied drawings)
MODEL
HEATER
KW
F.L.A.
@575VAC
SUGGESTED
LD. CENTER
HEATER
WIRE SIZE
300 5.0 5.02 10.0 AMPS #12 AWG
400 7.0 7.03 10.0 AMPS #12 AWG
500 7.0 7.03 10.0 AMPS #12 AWG
600 8.0 8.03 15.0 AMPS #12 AWG
750 10.0 10.04 15.0 AMPS #12 AWG
900 12.0 12.05 20.0 AMPS #12 AWG
1050 14.0 14.06 20.0 AMPS #12 AWG
1300 17.0 17.07 25.0 AMPS #10 AWG
1500 19.0 19.08 25.0 AMPS #10 AWG
1800 23.0 23.09 30.0 AMPS #10 AWG
2200 27.5 27.61 40.0 AMPS #8 AWG
2600 32.0 32.13 45.0 AMPS #8 AWG
3200 39.0 39.16 50.0 AMPS #8 AWG
2CR
3CR
1CR
G
~ ~
~
~
~
~
YELLOW
4CR
1C
3-WIRE DEWPOINT TRANSMITTER
(FOR 2-WIRE, SEE DETAIL A)
HEATER OVERTEMPERATURE
RPS
RPS
IN2
RTD5–
IN1
LPS
LPS
RTD3–
RTD3+
RTD5+
RTD4–
RTD4+
RTD1
RTD
RTD
RIGHT CHAMBER
LEFT CHAMBER
RTD
RTD3
RTD2
ANLG2+
ANLG2–
RTD2–
RTD2+
+5VDC
DC COM
RTD1–
RTD1+
ANLG1–
ANLG1+
+12VDC
DC COM
PE
PE
N
L
L
N
SENSOR
5VDC
1-5VDC OUT
+
DEWPOINT
TRANSMITTER
L DRY
ALARM
OUT2
CONTACTS
NO
C
NC
R DRY
OUT1
R DRY
L DRY
SOLENOID "B"
SOLENOID "A"
L PURGE
L PURGE
R PURGE
R PURGE
IN3
SOLENOID "C"
SOLENOID "D"
LOW TENSION
ENCLOSURE
HIGH TENSION
ENCLOSURE
CUSTOMER PROVIDED
575VAC, 3 PHASE
FUSED AS PER TABLE
504
505
101A
575V
115VAC
1T
2FU
1FU
3FU
L2
L1
L1
L2
L3
1C1
1C2
1C3
501
502
503
+ 4-20MA OUT
ENERGY MGMT
OPTION
RTD4
+
1HTR
102
101
SOLENOIDS "C" AND "D"
FOR MODELS 300-750 ONLY FOR MODELS 900-3200 ONLY
HEAT ENABLE
20
21
80
81
70
72
21
10
11
84
85
86
87
88
89
32
33
34
35
50
51
52
53
54
55
56
57
59
20
20
21
+12VDC
SOLENOID "E"
+12VDC
20 21
+
+
+
+
SOLENOID "E"
FOR MODELS 900-3200 ONLY
+
+
+
+
3
G
1
RED
GREEN
BROWN
BLACK
249 OHM
1/8W
EXTERNALLY
LOCATED
OPTION
102
101
120VAC
101
115
RED
BLACK
GREEN
21
TB5
0.5 AMP
0.5 AMP
1.25 AMP
90
91
4CR2
H1 H5
X1 X3
ORANGE
EXTERNALLY LOCATED
SET @ 45 PSIG2PS
PRESSURE SWITCH
RIGHT CHAMBER
SET @ 45 PSIG1PS
PRESSURE SWITCH
LEFT CHAMBER
2CR1
3CR1
SOLENOID "F"
SOLENOID "G"
21
21
20
20
27
28
ADD FOR PURGE SAVER OPTION
20
SOLENOID "D"
22
SOLENOID "C"
21
21
SOLENOID "H"
21
+12VDC
DC COM
LEFT CHAMBER DEPRESS
RIGHT CHAMBER DEPRESS
LEFT CHAMBER PURGE
RIGHT CHAMBER PURGE
EXHAUST
EXHAUST
PURGE SAVER INTAKE
SHUTOFF VALVE
2CR2
3CR2
22
22
23
24
4CR1
1CR2
26
ADD FOR MODELS 900-3200 ONLY
32
33
34
35
EXTERNALLY LOCATED
DEWPOINT
TRANSMITTER
+ 4-20MA OUT
3
1
RED
BLACK
DETAIL A
(2-WIRE DEWPOINT TRANSMITTER)
20
21
72
21
20
21
+12VDC
249 OHM
1/8W
21
90
91
101
102
20
+12VDC
21
1PSB
1TC
+
L1 N
K TYPE
102
101
101
C NO
3PS
SET @ 10 PSIG
1CR1
104
105
102
104
102
106
107
SET @ 20 PSIG
2159
50 51
52 53
4PS