EasyManua.ls Logo

SPX HPD Series - REPLACEMENT PARTS Models 300 through 600

SPX HPD Series
48 pages
Print Icon
To Next Page IconTo Next Page
To Next Page IconTo Next Page
To Previous Page IconTo Previous Page
To Previous Page IconTo Previous Page
Loading...
38
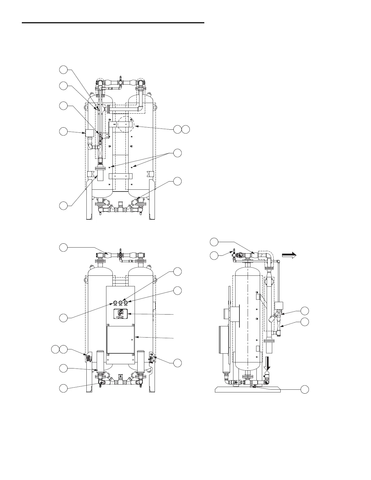
Replacement Parts – Models 300 through 600
HIGH TENSION
ENCLOSURE
CONTROL
ENCLOSURE
22
46
6
4
11
15
17
14
2
27
58
11
23
AIR
OUT
LEFT CHAMBER
RIGHT CHAMBER
AIR
IN
1
9
45
44
3
10
42 43
FRONT VIEW
SIDE VIEW
(RIGHT CHAMBER REMOVED FOR CLARITY)
REAR VIEW
7
8
Phone: 724-745-1555
FAX: 724-745-6040
Email: hankison.americas.am@spx.com
Web: www.spx.com/hankison

Related product manuals