EasyManua.ls Logo

Srne ASF48100SH3 - Production Overview

Default Icon
43 pages
Print Icon
To Next Page IconTo Next Page
To Next Page IconTo Next Page
To Previous Page IconTo Previous Page
To Previous Page IconTo Previous Page
Loading...
File version: V1.0
4
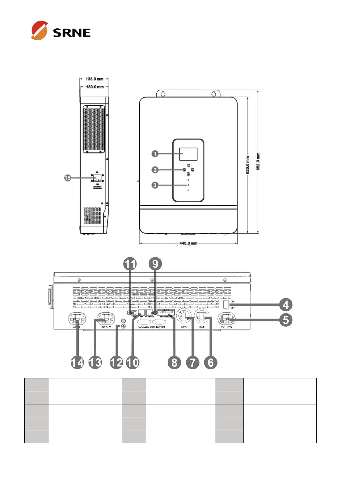
2.4 Production overview
LCD screen
2
LED indicator
3
Touchable key
ON/OFF rocker switch
5
PV input (PV1+PV2)
6
Battery (positive)
Battery (negative)
8
Dry contact
9
RS485/CAN port
WIFI port
11
USB-B port
12
Grounding screw
AC output (L1+L2+L3 +N)
14
AC input (L 1+L2+L3+N)
15
AC input circuit breaker

Related product manuals