EasyManua.ls Logo

Stager FD Series - Page 14

Stager FD Series
Print Icon
To Next Page IconTo Next Page
To Next Page IconTo Next Page
To Previous Page IconTo Previous Page
To Previous Page IconTo Previous Page
Loading...
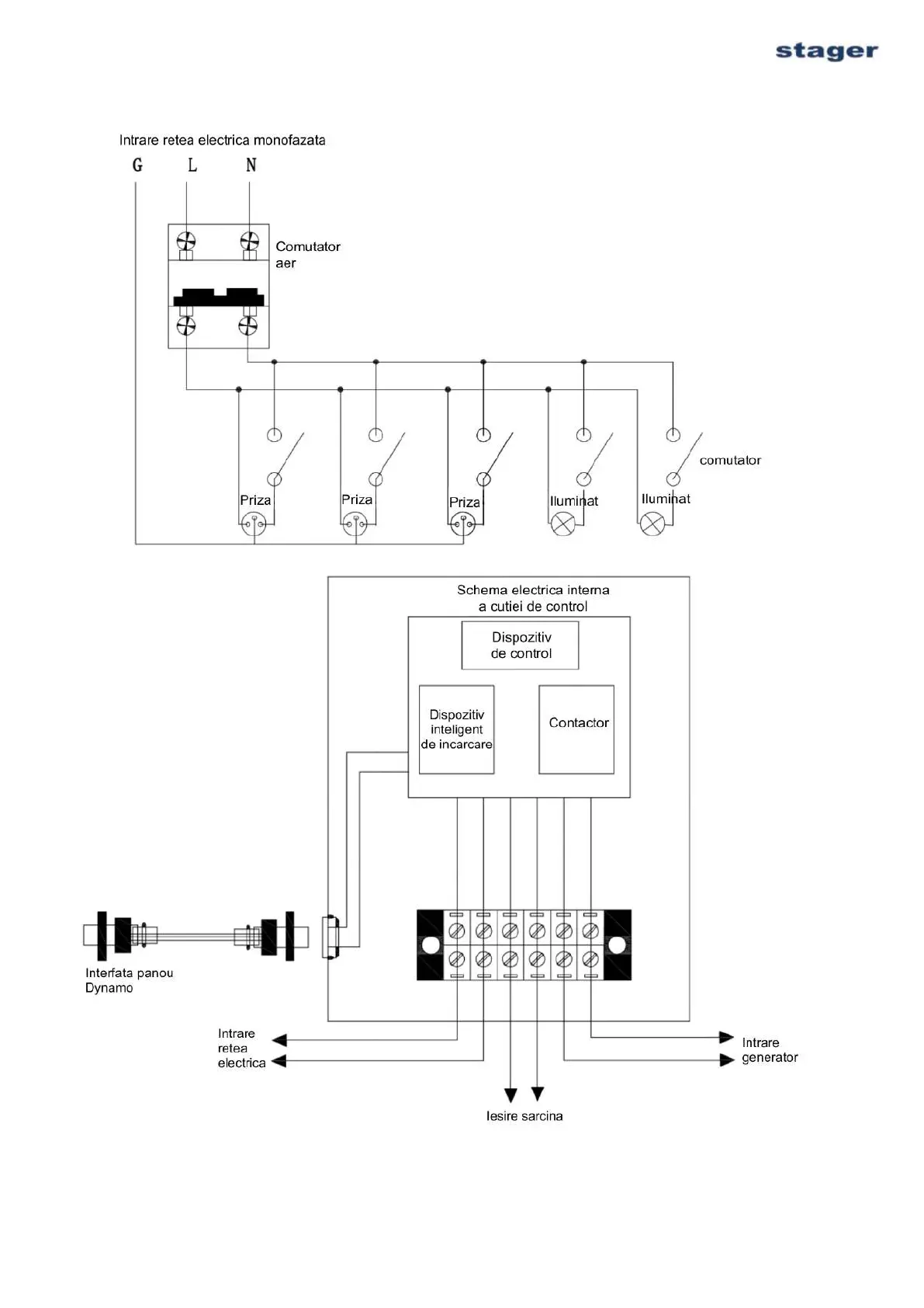
6.2 Conectarea la automatizare
Monofazat:
Ver. 3/Rev. 1; Data: 21.10.2022 14

Related product manuals