EasyManua.ls Logo

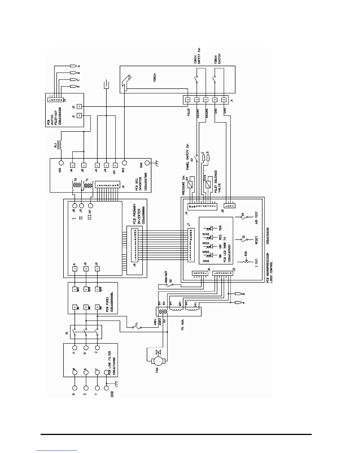
Stel THOR 73 - Wiring Diagram

Stel THOR 73
Print Icon
To Next Page IconTo Next Page
To Next Page IconTo Next Page
To Previous Page IconTo Previous Page
To Previous Page IconTo Previous Page
Loading...
6932200020
26
WIRING DIAGRAM

Related product manuals