EasyManua.ls Logo

Stel THOR 73 - Consumables List

Stel THOR 73
Print Icon
To Next Page IconTo Next Page
To Next Page IconTo Next Page
To Previous Page IconTo Previous Page
To Previous Page IconTo Previous Page
Loading...
6932200020
28
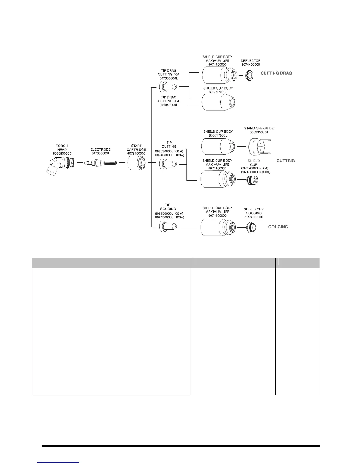
TORCH CONSUMABLES VIEW
CONSUMABLES LIST
DESCRIPTION CODE DEFAULT
Tip Cutting Drag 30A 9-8206
Tip Cutting Drag 40A 9-8207
Tip Cutting Drag 60A 9-8252
Tip Cutting 60A 9-8210
Tip Cutting 100A 9-8212
Tip Cutting Gouging 60A 9-8226
Tip Cutting Gouging 100A 9-8228
Electrode 9-8215
Shield Cup Body Maximum Life 9-8237
Shield Cup Body 9-8218
Shield Cup Cutting 60A 9-8235
Shield Cup Cutting 100A 9-8236
Shield Cup Gouging 9-8241
Stand off Guide 9-8281
Deflector 9-8243
Start Cartridge 9-8213
Torch Head 9-8219
1Torch 6m SL60 7-5253
1Torch 6m SL100 7-5254
601048000L
607380000L
601238000L
607390000L
607400000L
609950000L
609450000L
607360000L
6074100000
600617000L
6074200000
6074300000
6099700000
6009950000
6074400000
6073700000
6099800000
607340000L
607350000L
*
*
*
*
*
*
*

Related product manuals