EasyManua.ls Logo

stellar labs Model 7621 - Hydraulic System

Default Icon
30 pages
Print Icon
To Next Page IconTo Next Page
To Next Page IconTo Next Page
To Previous Page IconTo Previous Page
To Previous Page IconTo Previous Page
Loading...
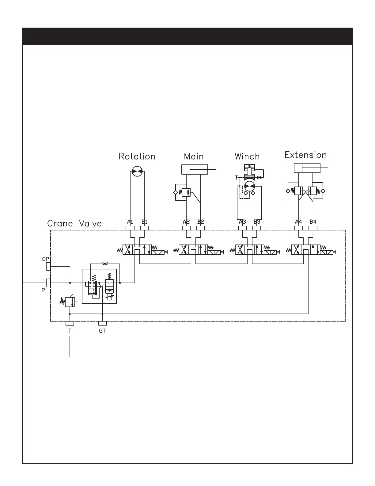
Installation 
Hydraulic System

Related product manuals