EasyManua.ls Logo

Stels 800 GUEPARD - Page 114

Default Icon
126 pages
Print Icon
To Next Page IconTo Next Page
To Next Page IconTo Next Page
To Previous Page IconTo Previous Page
To Previous Page IconTo Previous Page
Loading...
112
650/800/850 GUEPARD
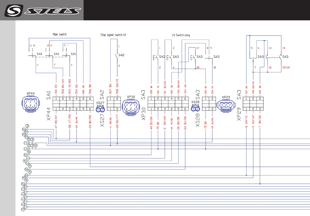
ELECTRIC CIRCUIT CONTROL
manufacture website : stelsoffroad.com
Electric circuit

Related product manuals