EasyManua.ls Logo

Stels 800 GUEPARD - Page 116

Default Icon
126 pages
Print Icon
To Next Page IconTo Next Page
To Next Page IconTo Next Page
To Previous Page IconTo Previous Page
To Previous Page IconTo Previous Page
Loading...
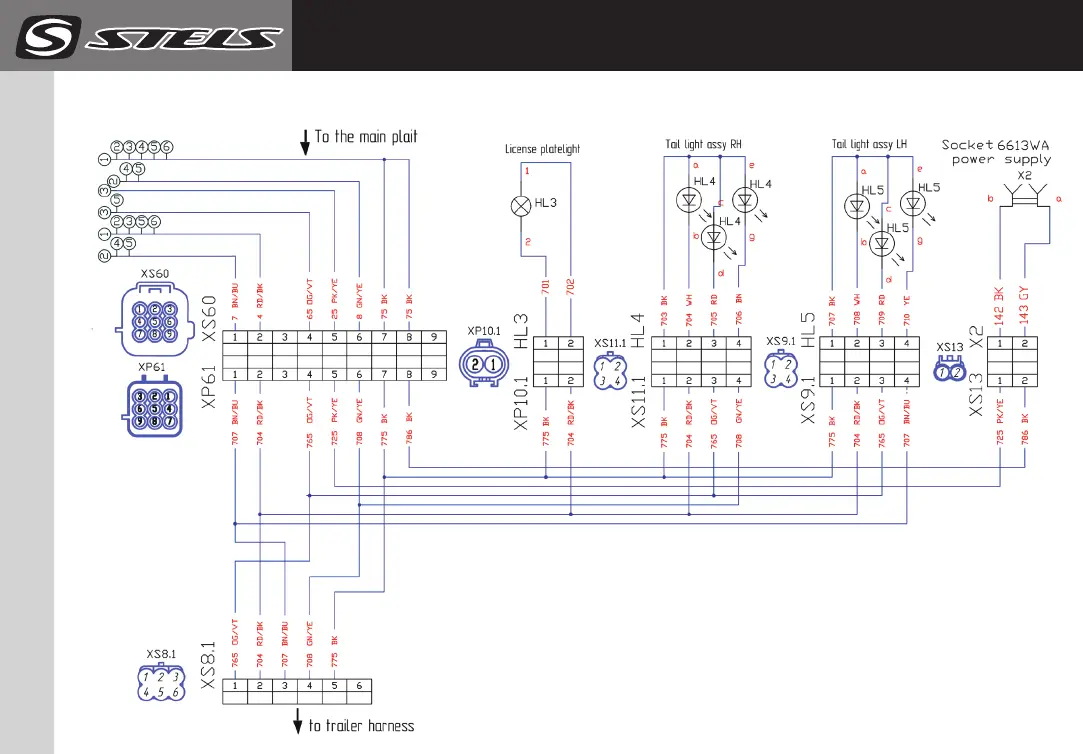
114
650/800/850 GUEPARD
ELECTRIC CIRCUIT DIAGRAMS
manufacture website : stelsoffroad.com
Small wiring harness
ELECTRIC CIRCUIT DIAGRAMS 650/800/850 GUEPARD
115
Lighting engineering
Front left turn indicator
Front right turn indicator
Low beam head lamp
High beam head lamp
Low beam head lamp
High beam head lamp
manufacture website : stelsoffroad.com

Related product manuals