EasyManua.ls Logo

StepperOnline BLD-510B - Page 7

StepperOnline BLD-510B
10 pages
Print Icon
To Next Page IconTo Next Page
To Next Page IconTo Next Page
To Previous Page IconTo Previous Page
To Previous Page IconTo Previous Page
Loading...
BLD-510B BLDC
B
r
u
s
h
l
e
ss
Driver
7
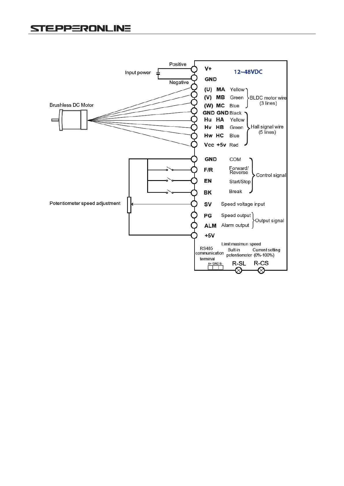
4.9 Connection Diagram of Brushless Motor and Driver
4.10 Sensorless control mode
STEPPERONLINE drivers can be used for sensorless brushless motors.
But it should be noted that since our brushless driver is mainly used for our brushless motor with sensors, its built-in
program is also used for motors with sensors.
Although our brushless driver can be used for sensorless brushless motors, the program of the driver is not fully
compatible and can only be used in simple scenarios. Our brushless drives are not recommended if the motor needs to
be started and stopped frequently.
When using a brushless driver to drive a sensorless motor, it is necessary to use software to set the sensorless starting
torque according to the parameters of the motor.

Related product manuals