EasyManua.ls Logo

STIEBEL ELTRON wpf 20

STIEBEL ELTRON wpf 20
36 pages
To Next Page IconTo Next Page
To Next Page IconTo Next Page
To Previous Page IconTo Previous Page
To Previous Page IconTo Previous Page
Loading...
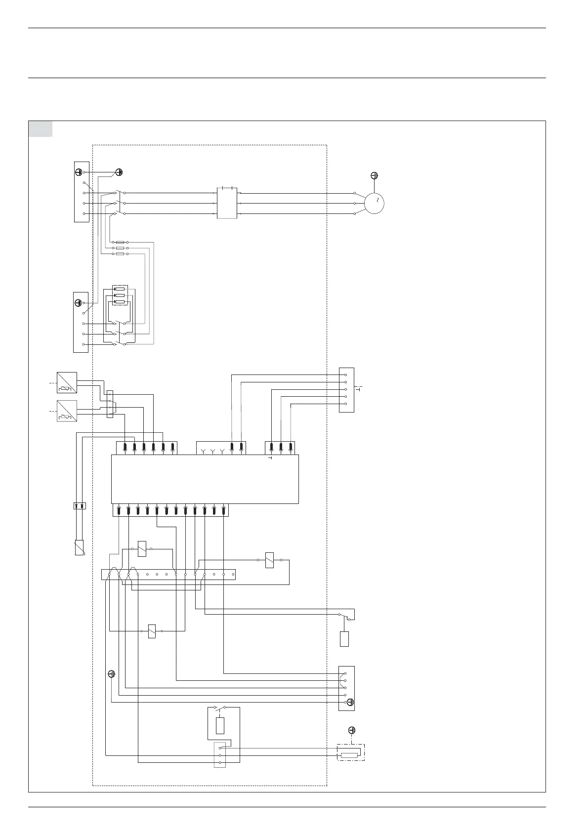
12.2 Wiring diagrams
P
Wiring diagram for heat pump WPF 20 / 27
8
X2
K1
A2
A1
6
7
Q1
2
1
6
5
4
3
L
11
2
1
suB
Heißgas
12
10
9
8
7
H
Einfrierschutz
3
HD/ND
Solepumpe
N
5
4
3
2
1
3
4
5
L
M1
M
3
X3
X5
A2
9
10
11
12
13
X1
relh
2
1
L1
L2 L3
N
K4
6
4
2
135
K1
6
4
2
135
14
L
N
X4
euetS.txEr.
1/N /PE AC 50Hz 230V
F2
> p
2
3/N/PE AC 50Hz 400V
3/N/PE AC 50Hz 400V
321
4
5
X23
X34
N3
X23
X29
X33
X30
21
1
X24
X24
C
T1
S
T2
R
T3
L1
L2 L3
N
K4
A1
A2
Q1
A2
A1
Q1
2
4
6
5
3
1
L3
L2
L1
T1
T2
T3
A1
A2
T <
E2
1
2
3
Anschluss Solepumpe
L
H
Kleinspannung
BUS
B6
B6
NO
F9
Z2
6
4
2
135
br ws sw
br ws sw
3
4
5
2
1
X35
6
0
I
0
I
P3
P1
1
1
2
2
12-18V
X28
B5
C26_03_01_0853
A2 Integral heat pump controller IWS II
B5 Hot gas temperature sensor
B6 Frost sensor (only for ext. inst. or inst. in a room
not free from the risk of frost)
E2 Oil sump heater
F2 High pressure limiter
F4 Hot gas temperature limiter
F6 Phase monitoring relay
F9 Solar pump MCB
K1 Safety contactor
K4 Brine pump contactor
P1 High pressure transducer
P3 Low pressure transducer
Q1 Softstart contactor
M1 Compressor motor
N3 Temp. controller - oil sump heater
X1 Terminals
X2 LV terminal
X3 Heat pump - mains
X4 Control voltage terminals
X5 Brine pump terminals
X23 Power supply earth terminal block
X24 Power supply earth screw
X29 Plug-in connector IWS II 12-PIN
X30 Plug-in connector IWS II 3-PIN
X33 Plug-in connector IWS II 5-PIN
X34 Plug-in connector terminal strip - oil sump heater
INSTALLATION
SPECIFICATION
www.stiebel-eltron.com WPF 20/27/40/52/66 | 20

Other manuals for STIEBEL ELTRON wpf 20

Related product manuals