EasyManua.ls Logo

Strebel SC-B - Cascade Boiler Layout

Strebel SC-B
51 pages
Print Icon
To Next Page IconTo Next Page
To Next Page IconTo Next Page
To Previous Page IconTo Previous Page
To Previous Page IconTo Previous Page
Loading...
Page 6 of 51
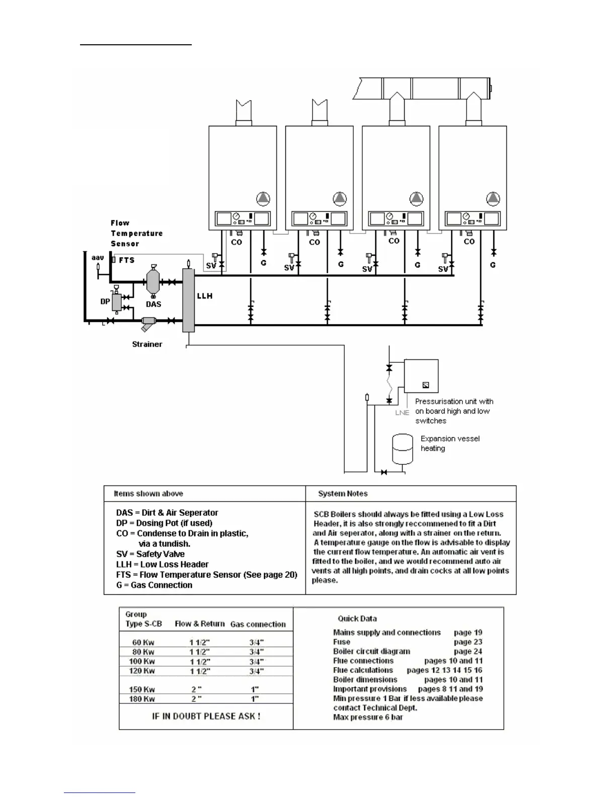
2.2 Typical Cascade Layout
Equipment shown may
not be supplied. Please
see tender for the actual
equipment supplied

Table of Contents

Related product manuals