EasyManua.ls Logo

Stryker TP700 - Troubleshooting

Stryker TP700
36 pages
Print Icon
To Next Page IconTo Next Page
To Next Page IconTo Next Page
To Previous Page IconTo Previous Page
To Previous Page IconTo Previous Page
Loading...
101176 REV E 31
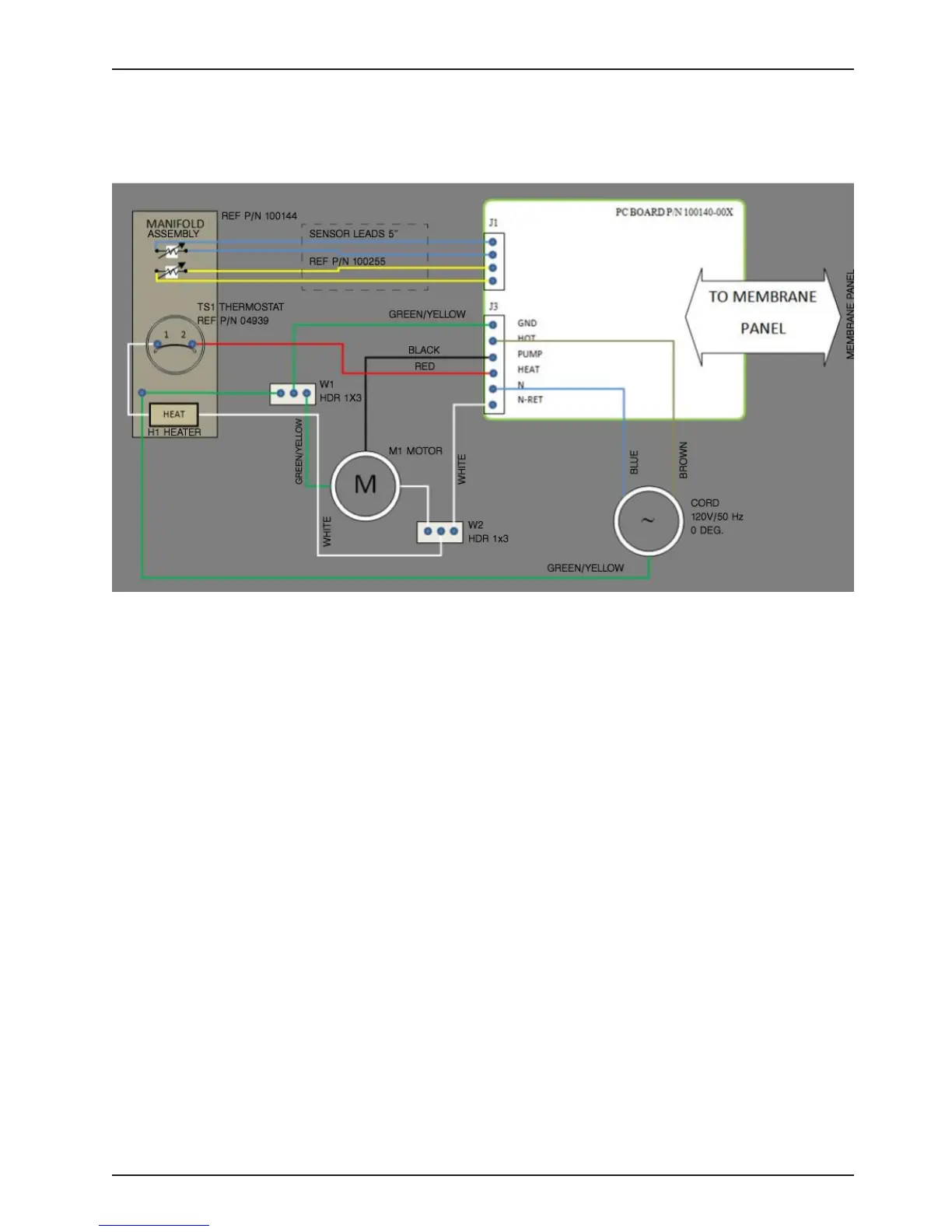
Troubleshooting
Figure 12: Wiring Diagram

Other manuals for Stryker TP700

Related product manuals