EasyManua.ls Logo

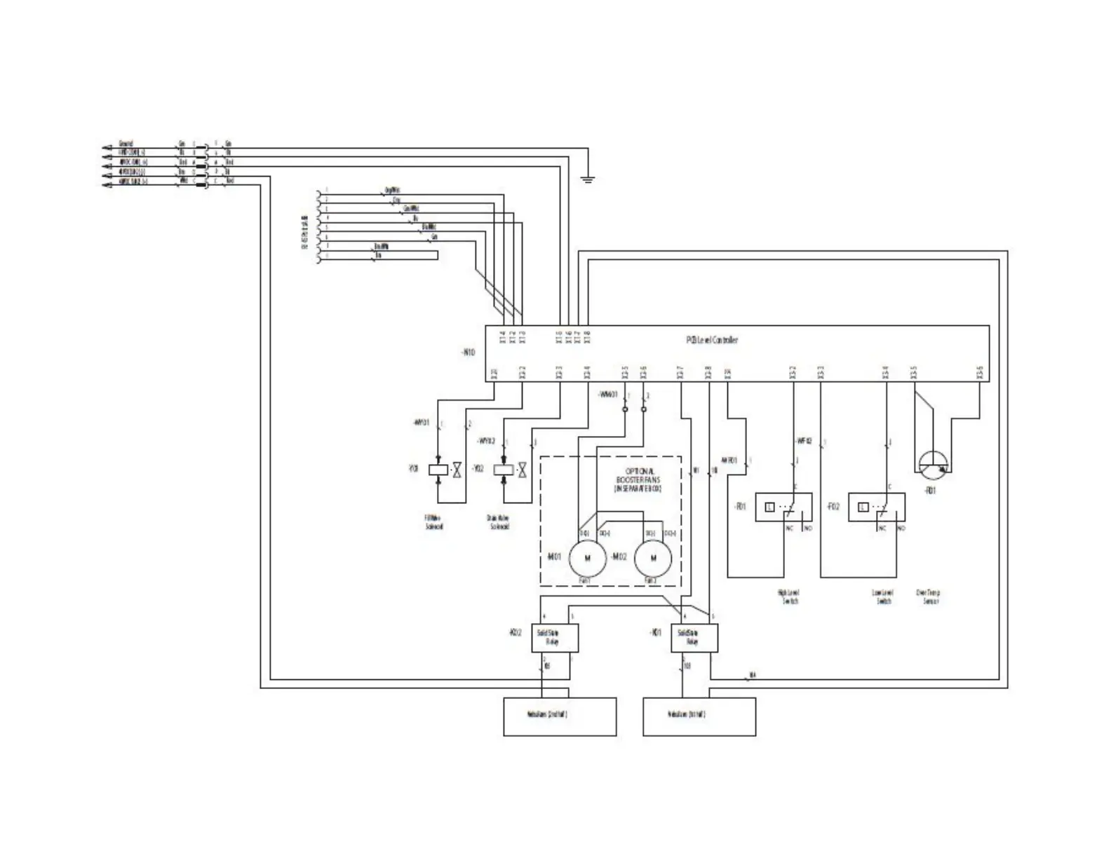
Stulz DAH - DAH-24;30 - Typical Wiring Diagram for Stand-Alone Version

Stulz DAH
41 pages
Print Icon
To Next Page IconTo Next Page
To Next Page IconTo Next Page
To Previous Page IconTo Previous Page
To Previous Page IconTo Previous Page
Loading...
Series GEN 2 Ultrasonic Humidifier IOM Manual
DAH-24/30 - Typical Wiring Diagram for Stand-Alone Version
28

Table of Contents

Related product manuals